Hallo allerseits,
es tut mir furchtbar leid, aber in meinem Schaltplan ist ein fürchtersamer Fehler enthalten!
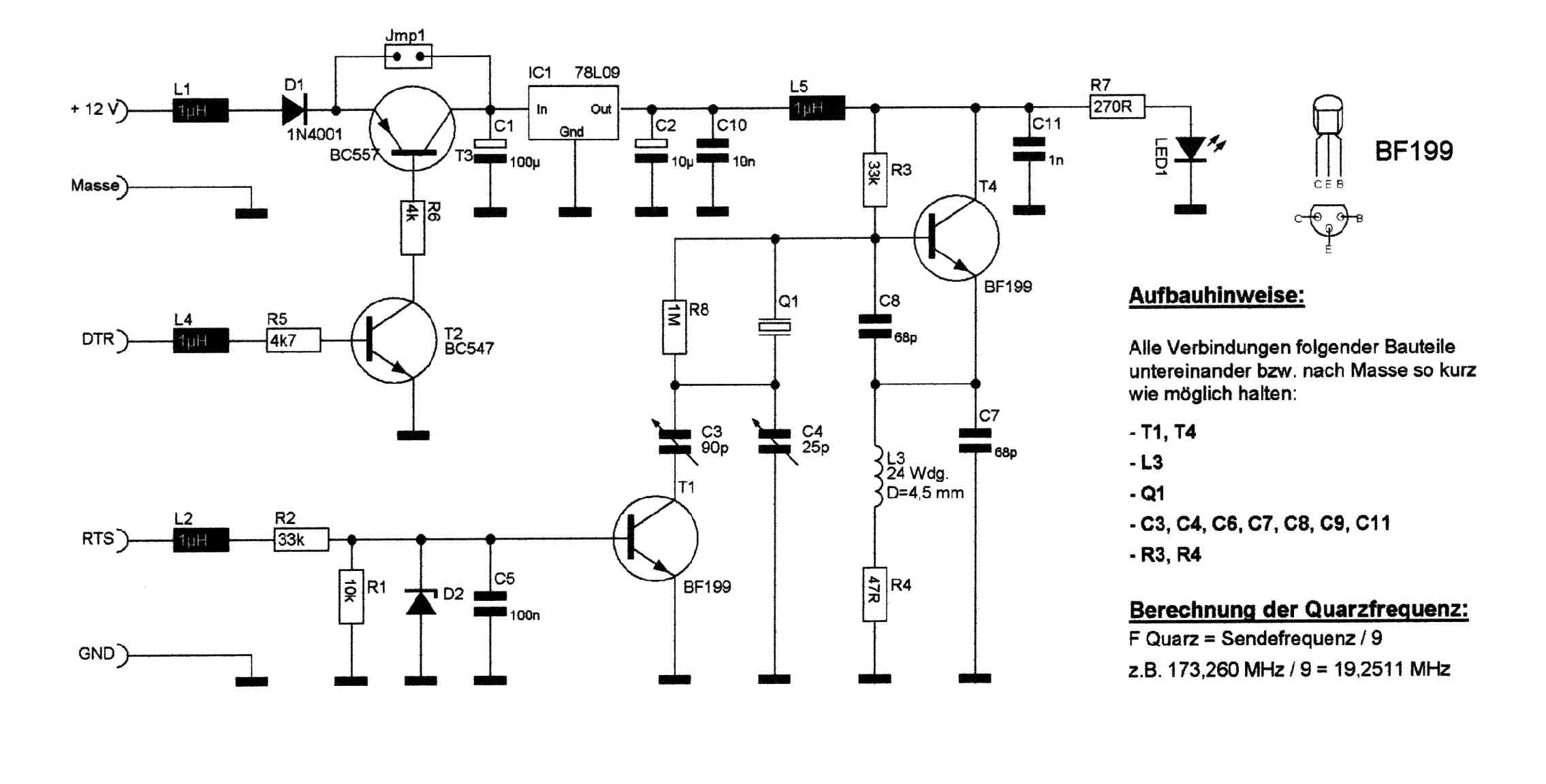
Der Oszillatortransistor BF 199 ist dort versehentlich als PNP-Transistor mit Emitter an + eingezeichnet. Richtig ist ein NPN-Transistor mit Collector an +.
Ich habe meinem ursprünglichen Posting das geänderte Schaltbild angehängt. Dort ist auch der BF199 mit seiner Pinbelegung eingezeichnet, da diese erheblich vom Standard abweicht.
MfG
Frank


Zitieren
