Seite 8 von 48 ErsteErste 12345678910111213141516171819202122 ... LetzteLetzte
Ergebnis 106 bis 120 von 709

Thema: eBay DME Testsender ?!?

  1. #106
    Registriert seit
    07.01.2002
    Beiträge
    659
    Die Frequenz ist 172,680 Mhz

    Was das für Transis sind weiß ich nicht, von den Dingen hab ich so gar keine Ahnung.


    Holger

  2. #107
    Registriert seit
    02.05.2003
    Beiträge
    1.029
    ist denn jemand hier der interesse und das nötige fachwissen hat um sich das teil mal genauer anzuschauen und dann einen bauplan zu entwerfen?
    nach den bildern kann sowas ja eigentlich fast jeder bauen oder?

    kann sich jemand vorstellen wieso der patron nicht darauf reagiert? muss man vielleicht noch etwas verstellen? vielleicht muss der käufer deswegen auch nochmal beim verkuafer nachfragen.
    Geändert von huhu (21.06.2004 um 17:19 Uhr)

  3. #108
    Registriert seit
    07.01.2002
    Beiträge
    659
    ist schon geschehen, warte auf die Antwort.

  4. #109
    Registriert seit
    21.12.2002
    Beiträge
    3.134
    Original geschrieben von Löschi
    Die Frequenz ist 172,680 Mhz

    Was das für Transis sind weiß ich nicht, von den Dingen hab ich so gar keine Ahnung.

    Holger
    Das sind natürlich ungünstige Voraussetzungen ;-)

    Also, dann mal ganz vorsichtig:

    - ich brauche die Beschriftung auf den Transistoren (z.B. BF199)
    - ich brauche die Werte der Kondensatoren
    - ich brauche die Frequenz des Quarzes (ist aufgedruckt)
    einen 172,xxx-MHz-Quarz gibt es nicht. Die Frequenzen liegen
    tiefer und werden verfielfacht.

    Alle Werte und Beschriftungen sind normalerweise mit dem bloßen Auge zu sehen.

    Also: More input please!!
    Zur Not tun es bessere Fotos, die die Teile von der Seite zeigen.

    Ich habe mir mal die beiden großen Fotos ausgedruckt und zeichne heute Nacht mal den Schaltplan.

    Ich warne aber vor voreiligen Nachbauten, vor allem auf Lochrasterplatine. Möglicherweise sind einige Stellen des Layouts für die Funktion entscheidend.


    MfG

    Frank

  5. #110
    Registriert seit
    07.01.2002
    Beiträge
    659
    @F64098

    wie gesagt ich hab null Ahnung,
    aber auf dem Quarz steht 172,680 M (siehe Bild)

    Bild Quarz

    markiere mal auf einem der Bilder die ich gemacht habe was für Dinge du meinst und schick mir das mal per Mail.



    Holger

  6. #111
    Christian Gast
    Hallo,

    mich hat auch der Ehrgeiz gepackt !

    @F64098

    Ich habe den Bauteilen schon mal Namen gegeben, die Leiterplatte gespiegelt und "reverse engineering" betrieben.

    Leider bin ich mir an zwei Stellen ziemlich unsicher diese habe ich gelb markiert. Einen Schaltplan habe ich gezeichnet. Von den grünen Teilen brauchen wir die Werte (aufgedruckt) und von den Transitoren die Nummern (z.B. BC 157). Die Quartzfrequenz steht bestimmt auf der Unterseite...

    www.feuerwehr-kevelaer.de/pocsagtester.zip

  7. #112
    Registriert seit
    02.05.2003
    Beiträge
    1.029
    @Löschi


    Ist es mit der Software auch möglich einen Freitext zu senden?
    Wie weit kann das Gerät senden?
    Hast zu es auch mit anderen DMEs versucht, Hurricane, Patron Plus?

  8. #113
    Registriert seit
    18.12.2001
    Beiträge
    4.989
    Hallo Leute !!

    Interessant .. Sehr interessant ....

    Ist das ein echter DFSK-Sender, oder mogelt der irgendwie ?
    Würd mich mal interessieren.

    @Löschi
    War da eine Software dabei ? Wenn ja kannste mir die mal schicken bitte. Vom Prinzip her bin ich gerne bereit da ne Software für zu schreiben, aber das wird schwer, wenn ich es nicht ständig selbst testen kann. Da bin ich auf deine Hilfe angewiesen.
    Bist du per ICQ oder so erreichbar ? Meld dich doch mal per PN bei mir.


    Gruß Joachim

  9. #114
    Registriert seit
    07.01.2002
    Beiträge
    659
    @huhu

    ja man kann einen beliebigen Text senden.
    Im Moment hab ich leider keine anderen DME´s zur Verfügung ausser den FS l und den Patron um das zu testen.

    @MiThoTyN

    Software ist die PE Version 3.10a (http://www.funkmeldesystem.de/download/pe-300.zip)

    ICQ: 266629792

  10. #115
    Christian Gast
    Hallo allerseits !

    Neue Infos in der ZIP Datei (Bauteilewerte)

    www.feuerwehr-kevelaer.de/pocsagtester_v2.zip

  11. #116
    Registriert seit
    02.05.2003
    Beiträge
    1.029
    Ist die Liste mit den Bauteilen vollständig?

    Hat schon jamand mit dem Nachbau begonnen?

  12. #117
    Christian Gast
    Hallo !

    WICHTIG ! Die Liste ist fast vollständig, aber der Schaltplan noch nicht. Ich muß mir erst die Datenblätter der Transistoren angucken, die Verschaltung der Trimmer ist mit noch net ganz klar.
    Daher sind auch noch zwei Lücken im Schaltplan (gelb markiert). Wer mir hier helfen kann - bitte gerne !!!!

    ICH RATE DAHER MOMENTAN DRINGEND VOM NACHBAU AB !!!!

    PS : Die Fotos sind noch net mal 24 Std. online. Wie soll man da alle Bauteile besorgen ... Schaltplan erstellen ... nachbauen ???

  13. #118
    Registriert seit
    21.12.2002
    Beiträge
    3.134
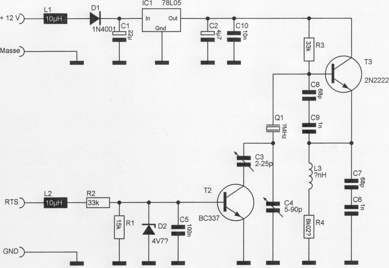
    Du hast richtig bemerkt, daß der Schaltplan noch sehr fehlerhaft ist. Anbei die 95% richtige Version. Es fehlt immer noch die Frequenz des Quarzes (ich tippe auf 34,456 MHz) und der Wert des Widerstands neben der Drosselspule. 820 Ohm wären grau-rot-braun, dieser hat jedoch offensichtlich grau-schwarz-rot-braun, was theoretisch 8,02 kOhm wären. Diesen Wert gibt es allerdings in keiner Normreihe. Nachmessen wäre hier wohl angesagt.
    Mit dem Transistor 2N2222 habe ich auch so meine Probleme, da die Einbaulage nicht unbedingt mit dem Schaltplan harmoniert. Ist das Teil irgendwie mit leicht verdrehten Beinen eingelötet?
    In welches Loch geht das Bein, das dem kleinen Metallfähnchen am nächsten liegt?
    Ich habe den Schaltplan außerdem um eine Verpolungsschutzdiode und zwei HF-Drosseln erweitert. Die Drosseln sind dieselben, wie die bereits in der Schaltung verwendete. Pfennigartikel bei Reichelt.

    MfG

    Frank
    Miniaturansichten angehängter Grafiken Miniaturansichten angehängter Grafiken Klicken Sie auf die Grafik für eine größere Ansicht 

Name:	prüfsender.jpeg 
Hits:	1280 
Größe:	93,1 KB 
ID:	1528  

  14. #119
    Registriert seit
    21.12.2002
    Beiträge
    3.134
    Original geschrieben von MiThoTyN
    Hallo Leute !!

    Interessant .. Sehr interessant ....

    Ist das ein echter DFSK-Sender, oder mogelt der irgendwie ?
    Würd mich mal interessieren.

    @Löschi
    War da eine Software dabei ? Wenn ja kannste mir die mal schicken bitte. Vom Prinzip her bin ich gerne bereit da ne Software für zu schreiben, aber das wird schwer, wenn ich es nicht ständig selbst testen kann. Da bin ich auf deine Hilfe angewiesen.
    Nun denn, es ist ein simpler Quarzoszillator, der vermutlich auf ~35MHz läuft. Die 5. Oberwelle ist dann genau im BOS-Bereich.
    Mit dem roten Trimmer wird eine Frequenz eingestellt, die 900 Hz über der Mittenfrequenz liegt (Macht in der 5. Oberwelle dann 4,5 kHz). Wenn vom Rechner ein Hi-Signal kommt, steuert der BC337 durch und legt den grünen Trimmer zusätzlich an Masse. Damit wird dann eine Frequenz von 900 Hz unterhalb der Mittenfrequenz eingestellt und schon haben wir einen Oszillator mit Zweipunkt-Modulation.

    Das BOS-Tool muß hierzu nur den Datenstrom, den Du gerade der Soundkarte aufnötigst, an der seriellen Schnittstelle ausgeben (hier an DTR). Mehr nicht.

    MfG

    Frank

  15. #120
    Christian Gast
    Hallo F64098 !

    Ja, dein Schaltplan sieht gut aus !

    Das mit der Spannungsstabilisierung haste gut gemacht !
    Die Trimmer sind auch richtig eingebaut, hatte mir das heute Nacht noch mal zu Gemüte geführt. Das mit der fünten Oberwelle hört sich auch Schlüssig an. Die HF Drosseln können nicht Schaden, sind imho net unbedingt nötig.

    Was mir noch etwas "Bauchschmerzen" macht ist das der Sender schwingt sobald er Strom bekommt. Man sollte es vielleicht so machen das der Sender erst eingeschaltet wird, wenn er wirklich benötigt wird. Dazu bräuchte man nur ein weitere Leitung von der seriellen Schnittstelle ziehen und ein Widerstand und einen weiteren Transistor. Mithtoyn könnte das einfach in seine Software einbauen das sie einen Pin dann auf High schaltet.

    Leider hast Du die Bauteile anders benannt als bzw. bei Dir sind noch welche dazu gekommen.... ich werde die Bauteileliste nochmal überarbeiten...

Aktive Benutzer

Aktive Benutzer

Aktive Benutzer in diesem Thema: 1 (Registrierte Benutzer: 0, Gäste: 1)

Berechtigungen

  • Neue Themen erstellen: Nein
  • Themen beantworten: Nein
  • Anhänge hochladen: Nein
  • Beiträge bearbeiten: Nein
  •