Ich würde den Nachbau für Laien nicht empfehlen.
Wenn, dann nur mit Meßgerätepark und geschirmtes Gehäuse für den Sender incl. Dämpfungsglied und Bandpaß.
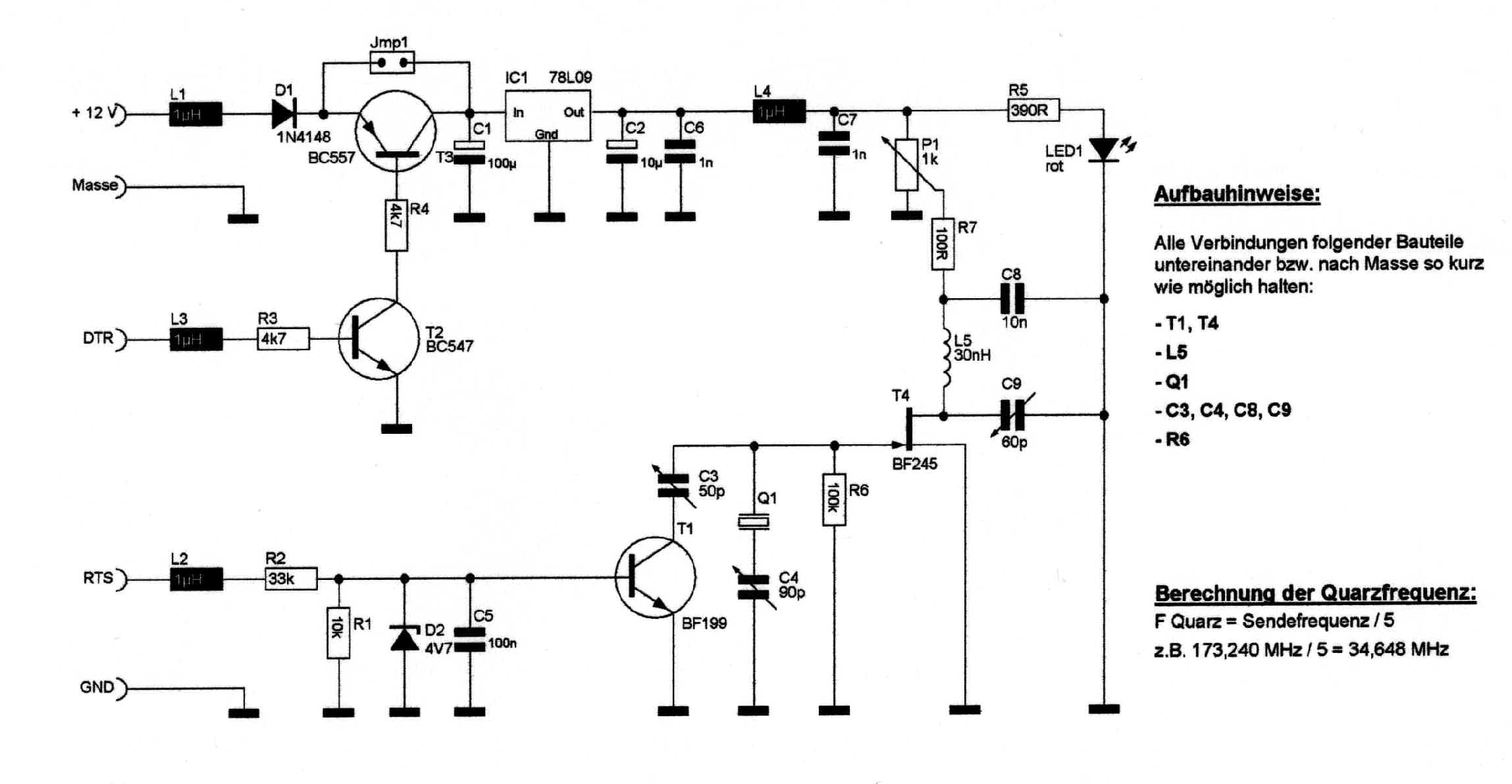
Als Quarz taugt jeder, der entweder ein 5tel, 7tel, 9tel oder 11tel der gewünschten Sendefrequenz hat.
Die gibt es aber nicht von der Stange, die muß man sich anfertigen lassen.
Empfehlenswert ist es, sich in einer Excel-Tabelle alle Vielfachen der Quarzfrequenz ausrechnen zu lassen und dann zu prüfen, ob eine dieser Frequenzen in einem relevanten Bereich liegt und dort evtl. Störungen verursacht.
Quarze gibt es z.B. www.quarz-technik.de
Unter 25 EURO incl. Versand wird es aber wohl nicht abgehen.
MfG
Frank


Zitieren