Ergebnis 1 bis 12 von 12

Thema: GM1200 - Diskriminatorausgang brummt

Hybrid-Darstellung

Vorheriger Beitrag Vorheriger Beitrag   Nächster Beitrag Nächster Beitrag
  1. #1
    Registriert seit
    21.09.2009
    Beiträge
    2.686
    Hallo!

    Zitat Zitat von ChaotY2k Beitrag anzeigen
    ich möchte gerne am GM1200 vom Diskriminator (PIN 11) zu einem Behringer Audio-Splitter und von dort aus die Lautsprecher in einzelnen Räumen steuern.
    Moment...geht es um Audio, oder um Diskriminatorsignale?
    Wenn es um Diskriminatorsignale geht die von monitord in verschiedenen Räumen decodiert werden sollen (wo bei das sehr ungewöhnlich wäre):
    Vergiss den Audio-Splitter der nach deinen Äusserungen wohl was mit 8/4Ohm Lautsprechern zu tun hat.

    Zitat Zitat von ChaotY2k Beitrag anzeigen
    Wenn ich Sig auf PIN11 lege und Masse auf Analog oder Digital Ground brummt es ab ca. 75% Lautstärke massiv.
    Wundert mich gar nicht. Zuviel Verstärkung aufgedreht, und darüber hinaus unpassende Geräte drann gehängt.

    Zitat Zitat von ChaotY2k Beitrag anzeigen
    Jemand eine Idee woher ich die Masse für den Diskri nehmen könnte oder liegt es daran, dass das GM1200 ein KFZ Gerät ist und der Audiosplitter ein PA-Gerät und das wegen vier bzw. acht Ohm nicht zusammenpasst?
    Die einzig richtige Masse zu Pin 11 ist generell GND Analog, nix anderes.

    Ganz generell:
    Diskriminatorsignale sind generell hochohmig und daher inkompatibel mit langen Leitungen.
    Denn lange leitungen haben eine parasitäre Kapazität die ausreicht das Signal fatal zu dämpfen. Ebenso zieht man sich über längere Kabelwege unweigerlich auch Störungen rein, wie z.B. Netzbrummen.

    Ausserdem: Thema Brummschleifen. Wenn deine GM1200 über Netzteil und/oder Antenne geerdet ist, dann hast du am GM1200 eine bestimmte Bezugsreferenz.
    Wenn Geräte in den anderen Räumen auch geerdet sind, dann haben die definitiv ein anderes Bezugspotential.
    Die Ausgleichsströme fließen dann über die Masseadern zwischen allen Geräten hin und her und verursachen massive Brummeinstreuungen.

    Das ist häufig bereits ein großes Problem wenn man nur ein Funkgerät mit einem PC verbinden will. Du hast das Chaos in perfektion weil du gleich mehrere Rechner am selben Signal, was über lange Leitungen kommt, dranheften willst.

    Das Problem zu lösen geht...aber nur sehr aufwändig.
    Ich entwickle gerade an einer Lösung zur galvanischen Trennung von Diskriminatorsignalen, um das häufige Problem zwischen ein PC und ein Empfänger möglichst generell und rundum zu erschlagen.
    Deutlich aufwändiger als man es für Audiosignale macht.
    Diese Teilschaltung multipliziert mit der Menge der Geräte die du zusammen schalten willst, könnte dein Problem lösen.
    Aber glaube mir: Das willst du nicht wirklich!

    Wenn es dir nur um Pocsag geht, dann stelle ein PC direkt an die GM900 welches das Diskriminatorsignal decodiert, und nur die decodierten Daten weiter gibt an beliebig viele Clients.
    Wenn's denn unbedingt per Kabel sein muss beispielsweise via RS-485, ansonsten eben Ethernet oder WLAN.

    Grüße aus Dortmund

    Jürgen Hüser

  2. #2
    Registriert seit
    09.03.2009
    Beiträge
    27
    Zitat Zitat von DG7GJ Beitrag anzeigen
    Moment...geht es um Audio, oder um Diskriminatorsignale?
    Wenn es um Diskriminatorsignale geht die von monitord in verschiedenen Räumen decodiert werden sollen (wo bei das sehr ungewöhnlich wäre):
    Vergiss den Audio-Splitter der nach deinen Äusserungen wohl was mit 8/4Ohm Lautsprechern zu tun hat.
    Also okay, ich hab mich blöde ausgedrückt ;)
    Es gibt ein Funkgerät und das was dort läuft soll man in anderen Räumen auch hören, nicht nur dort, wo das Funkgerät ist. Aber das Signal des Funkgerätes soll auch von monitord abgehört werden und dort ZVEI auswerten.

    Die ganzen "Abnehmer" brauchen also unterschiedliche Lautstärken und sollten nicht von der Lautstärke am Funkgerät abhängig sein.

    Zitat Zitat von DG7GJ Beitrag anzeigen
    Wundert mich gar nicht. Zuviel Verstärkung aufgedreht, und darüber hinaus unpassende Geräte drann gehängt.
    Das war ja eben meine Vermutung - aber warum es unpassend ist verstehe ich noch immer nicht so ganz. Diskriminator ist doch grundsätzlich auch nur Audio?

    Zitat Zitat von DG7GJ Beitrag anzeigen
    Die einzig richtige Masse zu Pin 11 ist generell GND Analog, nix anderes.
    Okay, danke auf alle Fälle für die Bestätigung dieser Vermutung ;)

    Zitat Zitat von DG7GJ Beitrag anzeigen
    Ganz generell:
    Diskriminatorsignale sind generell hochohmig und daher inkompatibel mit langen Leitungen.
    Denn lange leitungen haben eine parasitäre Kapazität die ausreicht das Signal fatal zu dämpfen. Ebenso zieht man sich über längere Kabelwege unweigerlich auch Störungen rein, wie z.B. Netzbrummen.
    Lange Wege habe ich da erstmal noch nicht - der Splitter ist direkt daneben. Hinter dem splitter hätte ich dann einige Meter Kabellänge....

    Zitat Zitat von DG7GJ Beitrag anzeigen
    Ausserdem: Thema Brummschleifen. Wenn deine GM1200 über Netzteil und/oder Antenne geerdet ist, dann hast du am GM1200 eine bestimmte Bezugsreferenz.
    Wenn Geräte in den anderen Räumen auch geerdet sind, dann haben die definitiv ein anderes Bezugspotential.
    Die Ausgleichsströme fließen dann über die Masseadern zwischen allen Geräten hin und her und verursachen massive Brummeinstreuungen.

    Das ist häufig bereits ein großes Problem wenn man nur ein Funkgerät mit einem PC verbinden will. Du hast das Chaos in perfektion weil du gleich mehrere Rechner am selben Signal, was über lange Leitungen kommt, dranheften willst.

    Das Problem zu lösen geht...aber nur sehr aufwändig.
    Ich entwickle gerade an einer Lösung zur galvanischen Trennung von Diskriminatorsignalen, um das häufige Problem zwischen ein PC und ein Empfänger möglichst generell und rundum zu erschlagen.
    Deutlich aufwändiger als man es für Audiosignale macht.
    Diese Teilschaltung multipliziert mit der Menge der Geräte die du zusammen schalten willst, könnte dein Problem lösen.
    Aber glaube mir: Das willst du nicht wirklich!
    Wobei mir schleierhaft ist, warum es dann auf dem LS+ / - also Pin 1 und 3 garnicht brummt.

    Zitat Zitat von DG7GJ Beitrag anzeigen
    Wenn es dir nur um Pocsag geht, dann stelle ein PC direkt an die GM900 welches das Diskriminatorsignal decodiert, und nur die decodierten Daten weiter gibt an beliebig viele Clients.
    Wenn's denn unbedingt per Kabel sein muss beispielsweise via RS-485, ansonsten eben Ethernet oder WLAN.
    Es geht primär ums Audio-Signal, also den Ton des Funks. Für Monitord habe ich mir schon nette Spielereien gebaut. Anzeigescreens, IOS App usw. ;)

  3. #3
    Registriert seit
    21.09.2009
    Beiträge
    2.686
    Hallo nochmal!

    Zitat Zitat von ChaotY2k Beitrag anzeigen
    Also okay, ich hab mich blöde ausgedrückt ;)
    Es gibt ein Funkgerät und das was dort läuft soll man in anderen Räumen auch hören, nicht nur dort, wo das Funkgerät ist. Aber das Signal des Funkgerätes soll auch von monitord abgehört werden und dort ZVEI auswerten.

    Die ganzen "Abnehmer" brauchen also unterschiedliche Lautstärken und sollten nicht von der Lautstärke am Funkgerät abhängig sein.
    Dir geht es um Audio!
    Nungut...zuerst musst du mal gucken was an deinem Pin 11 da überhaupt exakt raus kommt. Denn gerade bei den Jedi-Mobilgeräten ist das nämlich Firmwareabhängig.

    Ich meine im Hinterkopf zu haben das z.B. die GM1200 (70cm Bündelfunkgerät) dort einen Diskriminatorausgang hat.
    Die selbe Hardware, aber als GM900 oder MT-Derivat hat statt dessen einen Low-Level NF-Ausgang.

    Der Unterschied ist wie folgt zu verstehen:

    Diskriminatorsignal ist DC-gekoppelt. Ein unmodulierter Träger erzeugt eine GLEICHSPANNUNG an einem Diskriminatorsignal, die um so größer ist, je weiter der Träger von der Kanalmitte verschoben ist.
    Das Diskriminatorsignal ist eben kein Audio, sondern eher ein Basisbandsignal woraus NF erzeugt werden kann. Ebenso befindet sich keine Rauschsperre in einem Diskriminatorsignal.
    Ist der Kanal leer, dann rauscht es dort.

    Ein Low-Level NF-Ausgang ist hingegen etwa das selbe wie der Hörerausgang an Fug8/9.
    Ein Gleichspannungsfreies sauber gefiltertes Audiosignal inklusive Rauschsperre.


    Zitat Zitat von ChaotY2k Beitrag anzeigen
    Das war ja eben meine Vermutung - aber warum es unpassend ist verstehe ich noch immer nicht so ganz. Diskriminator ist doch grundsätzlich auch nur Audio?
    Eben nicht!
    Man kann daraus ein Audiosignal machen, in dem man es so filtert das alles unter grob 300Hz und alles oberhalb von 3kHz komplett abgeschnitten wird. Ebenso gehört dann noch eine Rauschsperre dahinter, die für gewöhnlich gesteuert wird über den Rauschpegel auf dem Diskriminatorsignal vor dem Filter.

    Zitat Zitat von ChaotY2k Beitrag anzeigen
    Wobei mir schleierhaft ist, warum es dann auf dem LS+ / - also Pin 1 und 3 garnicht brummt.
    Offenbar deshalb, weil dein Splitter offenbar reichlich niederohmigen Pegel braucht und der bei der GM1200 eben nur am LS-Verstärker anliegt.

    Also gehen wir doch mal in Richtung Problemlösung:

    Zunächst stellst du fest ob an Pin 11 nun ein Diskriminatorsignal raus kommt, oder eher ein Low-Level Audiosignal.
    Wenn es dort nicht rauscht bei leerem Kanal, und Sprache natürlich und unverfälscht raus kommt, hast du glück.
    Wenn das nicht gegeben ist kannst du gucken ob die Firmware mittels Programmierung dort umstellbar ist. Bei aktuelleren GM6x0 ist das ein Häckchen in der Kanaldefinition unter der Bezeicnung "Datenkanal". Mit GM1200 habe ich mich diesbezüglich noch nicht auseinander gesetzt.


    Einen richtigen Low-Level Audio-Ausgang macht bei Nennhub irgendwas zwischen 150mV und 600mV, und Quellimpedanzen im Bereich 1-2kOhm.
    Sowas kannst du über einige Meter problemlos direkt verlegen und mit hochohmigen Sprechstellen direkt parallel drann gehen.
    Da braucht es keinen Splitter, sondern eben bei jedem "Empfänger" der sich da mit an die Leitung hängt eben einen Verstärker.
    Hochohmiger Eingang (um die 10k oder höher) mit LS-Verstärker und eigenem Lautstärkepoti.

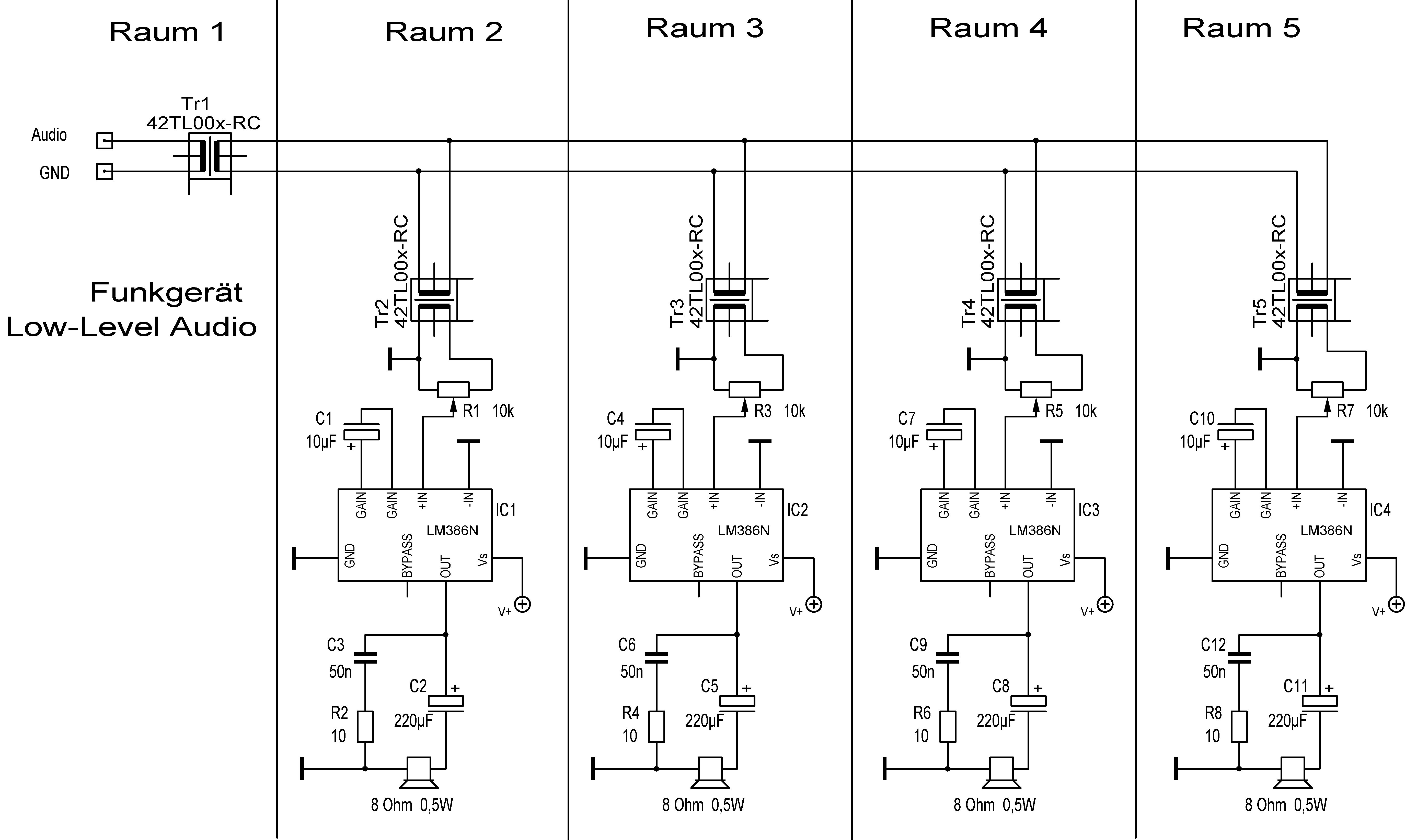
    Und wenn Masseschleifen auftreten sollten, kann man am Funkgerät als auch an jedem Empfänger einen Übertrager drann machen und das Kabel welches alle Stationen vernetzt, als masseloses symmetrisches System betreiben.

    Siehe angehänge Schematik:

    Im Ersten Raum kann über Funkgerät mitgehört und die Lautstärke reguliert werden.

    Das Low-Level-Audiosignal (geht nicht mit Diskriminatorsignalen!) gelangt über Tr1 auf eine symmetrische Leitung (ein Aderpärchen einer Telefon- oder einer Ethernet-Patchleitung, zur not auch Klingeldraht) die durchaus bis zu einigen hundert Meter lang sein darf.

    Nun können beliebig viele Räume so angeschlossen werden die im Plan ersichtlich ist.
    Geht mit einer Horchstelle ebenso wie mit dutzenden.

    In jedem Raum muss halt nur über ein Steckernetzteil o.ä. eine Versorgungsspannung zwischen 5 und 14V vorhanden sein. Die 5V aus einer USB-Buchse dürfte reichen für die maximal 325mW die aus dem LM386N kommen.

    Taugt für analog-Audio und wird exakt so seit Jahrzehnten verwendet, u.a. auch in den heutigen Major-Sprechstellen.

    Nicht taugen würde sowas für Diskriminatorsignale z.B. für Pocsag.
    Da wäre die selbe Schaltung schätzungsweise 5-6 Din A4 Seiten umfassend.

    Grüße aus Dortmund

    Jürgen Hüser
    Miniaturansichten angehängter Grafiken Miniaturansichten angehängter Grafiken Klicken Sie auf die Grafik für eine größere Ansicht 

Name:	Low-Level-Audio-Bus.jpg 
Hits:	205 
Größe:	561,5 KB 
ID:	15444  

  4. #4
    Registriert seit
    09.03.2009
    Beiträge
    27
    Hi nochmal ;)

    Zitat Zitat von DG7GJ Beitrag anzeigen
    Ein Low-Level NF-Ausgang ist hingegen etwa das selbe wie der Hörerausgang an Fug8/9.
    Ein Gleichspannungsfreies sauber gefiltertes Audiosignal inklusive Rauschsperre.
    Also auf dem Pin 11 rauscht nichts bei freiem Kanal. Dann müsste es ein Low-Level NF sein?



    Zitat Zitat von DG7GJ Beitrag anzeigen
    Einen richtigen Low-Level Audio-Ausgang macht bei Nennhub irgendwas zwischen 150mV und 600mV, und Quellimpedanzen im Bereich 1-2kOhm.
    Sowas kannst du über einige Meter problemlos direkt verlegen und mit hochohmigen Sprechstellen direkt parallel drann gehen.
    Da braucht es keinen Splitter, sondern eben bei jedem "Empfänger" der sich da mit an die Leitung hängt eben einen Verstärker.
    Hochohmiger Eingang (um die 10k oder höher) mit LS-Verstärker und eigenem Lautstärkepoti.
    Also Splitter raus, Pro Raum nen Verstärker ran und gut? Klingt einfach ;)

    Zitat Zitat von DG7GJ Beitrag anzeigen
    In jedem Raum muss halt nur über ein Steckernetzteil o.ä. eine Versorgungsspannung zwischen 5 und 14V vorhanden sein. Die 5V aus einer USB-Buchse dürfte reichen für die maximal 325mW die aus dem LM386N kommen.

    Taugt für analog-Audio und wird exakt so seit Jahrzehnten verwendet, u.a. auch in den heutigen Major-Sprechstellen.
    Also entweder z.B. aktive Lautsprecher oder sowas http://www.conrad.de/ce/de/product/1...-12-W?ref=list

    Danke ... für die Hilfe!

  5. #5
    Registriert seit
    21.09.2009
    Beiträge
    2.686
    Hallo!

    Zitat Zitat von ChaotY2k Beitrag anzeigen
    Also auf dem Pin 11 rauscht nichts bei freiem Kanal. Dann müsste es ein Low-Level NF sein?
    Würde ich stark vermuten. Denn solche Mischeinstellungen wie "Diskriminator mit Rauschsperre" gab es bei der gesammten Jedi-Serie m.E. noch nicht.

    Nur mal so in der Theorie: Wäre es ein Diskriminatorsignal, wäre der Sprechfunkempfang vom Frequenzgang her sehr, sehr rau.
    Also straktes Poppen im Bassbereich wenn jemand die PTT druckt und loslässt, sowie schwächere angerauschte Stationen mit einem immens hoch gehenden Rauschspektrum jenseits der 20kHz und mehr.


    Zitat Zitat von ChaotY2k Beitrag anzeigen
    Also Splitter raus, Pro Raum nen Verstärker ran und gut? Klingt einfach ;)
    Jawoll, gennau so. Das Low-Level-Signal hat da eine ein mittelohmiges und stabil definiertes Format, was du beinahe über mehrere hundert Meter Leitung jagen kannst.
    Bis vielleicht 20~50m direkt ohne Übertrager am Funkgerät, darüber besser mit Übertrager.

    Und dann je Raum wo eine Mithörstelle sein soll eben mit Übertrager an die Leitung und dahinter ein einfacher Verstärker mit Lautstärkeregler und Lautsprecher/Box.

    Im einfachsten Fall zum Beispiel sowas wie die Bestellnummer 630394 von Pollin.

    Aber vorsicht: Direkt mit dem Verstärker (z.B. mit dem Klinkenstecker der Pollin-Aktivbox) an die Leitung vom Funkgerät geht nur wenn die anlage nirgendwo eine Masseverbindung zum PE-Kontakt einer lokalen Steckdose hat.
    Also sobald ein PC angeschlossen wird dessen Gehäuse über das Kaltgerätekabel lokal geerdet ist, kannst du dir eine heftige Brummschleife einfangen.
    Selbiges wenn du ein Schalt-Steckernetztel anschließt...die haben fiese Y-Kondensatoren zur Endstörung drin, wo der Masseanschluß noch mehr brummspannung aufweist als eine direkte PE-Kontaktierung.

    Wenn du einen Übertrager vor jedem Verstärker hängst, dann umgehst du galant alle denkbaren Probleme mit lokaler Erdung oder Y-Kondensatoren in Netzeilen.

    Zitat Zitat von ChaotY2k Beitrag anzeigen
    Also entweder z.B. aktive Lautsprecher oder sowas http://www.conrad.de/ce/de/product/1...-12-W?ref=list
    Öhm, jaaa....12W halte ich für ein bisschen viel...was sind das denn für Räume die du beschallen willst?
    Mehr als grob 5~8W würde ich höchstens dann nehmen, wenn es um Druckkammerlautsprecher und größeren Hallen geht...:-)
    Wie gesagt, soein LM386N an einem 8Ohm 0,5W Lautsprecher (im ordentlichen Gehäuse) kann schon so laut werden, das es im Umkreis von 1-3m schon unangenehm und ansatzweise Gehörschädigend wird.
    Man darf nicht vergessen bei Lautsprecherleistungen das es im Funk- und Telefonbereich nur um einen schmalen Sprachfrequenzbereich zwischen 300-3000Hz geht worauf sich die ganze Energie konzentriert.
    Bei Musik ist das anders...will man satte Höhen haben, breite Mitten, und einen spürbaren Tiefbass der schön auf dem Brustkorb hämmert, braucht man logischer weise auch deutlich mehr Wumms. Das fängt erst so ab 50~150W Sinus (nicht "Musik" oder gar "PMPO") an Spass zu machen.

    Für Funk braucht man nur ein Bruchteil.

    Grüße aus Dortmund

    Jürgen Hüser

  6. #6
    Registriert seit
    09.03.2009
    Beiträge
    27
    Zitat Zitat von DG7GJ Beitrag anzeigen
    Hallo!
    Im einfachsten Fall zum Beispiel sowas wie die Bestellnummer 630394 von Pollin.
    Hallo Jürgen,

    das ist ein DAB-Radio?
    http://www.pollin.de/shop/dt/NTA2OTY...UAL_DAB14.html

  7. #7
    Registriert seit
    21.09.2009
    Beiträge
    2.686
    Hallo!

    Zitat Zitat von ChaotY2k Beitrag anzeigen
    Hallo Jürgen,
    das ist ein DAB-Radio?
    http://www.pollin.de/shop/dt/NTA2OTY...UAL_DAB14.html
    Es will offensichtlich eines sein, steht da ja schließlich.

    Was da aber drinn ist kann ich nicht sagen...würde mir sowas merkwürdiges auch nie kaufen.
    Womöglich findet man darin nur ein Rasperry-Pi Plagiat und DAB+ USB-Stick nebst billigem LCD-Display drinn.

    Grüße aus Dortmund

    Jürgen Hüser

Aktive Benutzer

Aktive Benutzer

Aktive Benutzer in diesem Thema: 1 (Registrierte Benutzer: 0, Gäste: 1)

Berechtigungen

  • Neue Themen erstellen: Nein
  • Themen beantworten: Nein
  • Anhänge hochladen: Nein
  • Beiträge bearbeiten: Nein
  •