Seite 1 von 7 1234567 LetzteLetzte
Ergebnis 1 bis 15 von 93

Thema: Frage an alle Elektriker!!!Schaltplan richtig oder falsch ???

  1. #1
    Registriert seit
    16.09.2007
    Beiträge
    287

    Frage an alle Elektriker!!!Schaltplan richtig oder falsch ???

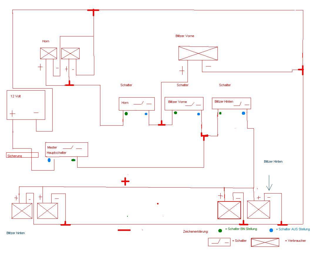
    Hallo,

    hab mal einen Schaltplan für einen Einbau einer SoSi Anlage in ein Fahrzeug erstellt, wer kann sich den mal durchschauen und eventuell Verbessern.

    Zum Plan:

    Das Horn soll nur geschaltet werden können wenn die Frontblitzer laufen.
    Ohne schalten des Master schalters soll nichts funktionieren.


    Bin gespannt

    Mfg
    Miniaturansichten angehängter Grafiken Miniaturansichten angehängter Grafiken Klicken Sie auf die Grafik für eine größere Ansicht 

Name:	Schaltplan SoSi Anlage.JPG 
Hits:	585 
Größe:	72,1 KB 
ID:	6776  

  2. #2
    Registriert seit
    24.06.2007
    Beiträge
    477
    Supi!
    Sicherung wär aber von Vorteil!

  3. #3
    Registriert seit
    16.09.2007
    Beiträge
    287
    Also der Plan passt soweit ???

    Hab jetzt nochmal nen neuen Angehängt mit Sicherung...!!!

    Nur weis ich ned welche sicherung ich da nehmen soll kannst du mir vielleicht mal nen link anhängen??? Wäre nett...

    Mfg
    Miniaturansichten angehängter Grafiken Miniaturansichten angehängter Grafiken Klicken Sie auf die Grafik für eine größere Ansicht 

Name:	Schaltplan SoSi Anlage.JPG 
Hits:	458 
Größe:	70,2 KB 
ID:	6777  

  4. #4
    Registriert seit
    09.04.2005
    Beiträge
    664
    Zitat Zitat von HeroesWearHaix Beitrag anzeigen
    Also der Plan passt soweit ???

    Hab jetzt nochmal nen neuen Angehängt mit Sicherung...!!!

    Nur weis ich ned welche sicherung ich da nehmen soll kannst du mir vielleicht mal nen link anhängen??? Wäre nett...

    Mfg
    Kleiner Tipp: Schau dir mal die Leistungswerte deiner Verbraucher an. Ich habe mal eine RTK4S restauriert und musste dabei feststellen, dass das Blaulicht bereits 10A aufnimmt und das Martinshorn nochmal 8A. Ich habe dann eine 30A Sicherung eingebaut, da der Einschaltstrom noch höher liegt. Diese Ströme müssen dann von den Kabeln und Schaltern verkraftet werden.

    Grüße vom Murxer
    mein Name ist Programm

  5. #5
    Registriert seit
    15.08.2006
    Beiträge
    8
    Wenn du nicht so eine große Sicherung einbauen willst kannst du auch die einzelnen Kreise absichern! also Blitzer vo, Blitzer hi, Blaulicht auf Dach +Horn, Falls du es an einen PKW anschließen willst wäre ein Spannungswächter günstig. Da du dir sonst die batterie leer zeihst! oder du hängst es auf die 15 (Zündungs plus) hast halt nur das problem das die Zündung an sein muss wenn Blaulichter laufen sollen! NICHT ZUR EINSATZABSICHERUNG GEEIGNET

  6. #6
    Registriert seit
    16.09.2007
    Beiträge
    287
    Also
    - Heckblitzer 8 mal 0,5 Watt
    - Sirene , 200mA
    - Frontblitzer KA ???

    http://shop.wiltec.info/cgi-bin/tabs...69714391,24430


    Was würdert ihr mir empfehlen Sicherungs technisch ???

    Und welches Kabel

    reicht da so eins:

    http://shop.wiltec.info/cgi-bin/tabs...69714391,94020

    oder doch lieber dieses ;-)

    http://shop.wiltec.info/cgi-bin/tabs...69714391,94032

    Mfg

  7. #7
    Registriert seit
    24.06.2007
    Beiträge
    477
    1. Leitungsquerschnitte angeben!
    2. Kontakte derSchalter bezeichnen (z.B.: 1. Schließer 13 - 14; 2. Schließer 23 - 24,... 1, Öffner 11 - 12,...)
    3. Anschlüsse der Blitzer/Kompressor bezeichnen (z.B.: A1 - A2)


    Und mit einem anständigen Schaltplanprogramm zeichnen!

  8. #8
    Registriert seit
    16.09.2007
    Beiträge
    287
    Verstehe jetzt null komma null sorry...!!!!


    Mfg

  9. #9
    Registriert seit
    16.09.2007
    Beiträge
    287
    was würdet ihr also für kabel benutzen welche sicherung und schalter ???


    bitte mit link antowrten

    Danke..
    Mfg

  10. #10
    Registriert seit
    18.11.2003
    Beiträge
    2.186
    Hi,

    In Anbetracht dieser Frage von dir:
    http://funkmeldesystem.de/foren/show...58&postcount=8

    Du hast jetzt doch nicht wirklich das vor, was ich denke das du vor hast, oder?

    Wenn doch, dann ein guter Rat:
    Lass es wirklich besser! Letztendlich musst du es zwar selber wissen, aber das steht wirklich in keinem Verhältnis!

    Wenn du ohne Genehmigung eine solche Anlage fest einbaust, dann erlischt die Betriebserlaubnis und der VK Versicherungsschutz. Die Haftpflichtversicherung bleibt natürlich bestehen, kann dich aber evtl. bis zu einer gewissen Höchstsumme (5000 Euro?) in Regress nehmen wenn es zu einem Unfall kommt.

    Du erhälst dann die Strafen für das Fahren ohne Betriebserlaubnis und unzulässige Beleuchtungseinrichtung. Dazu dann noch die Verfahrenskosten.
    Evtl. könnte noch jemand (Die Pol an Ort und Stelle oder der StaA) auf die Idee kommen das vom TüV überprüfen zu lassen. Da zahlste auch noch mal gut was für (Im ungünstigsten fall bis zu rund tausend Euro)

    Und dabei war die ganze sache NUR Eingebaut, NICHT eingeschaltet!

    Wenn du die dazu noch einschaltest kommen noch die 20Eur. für den Missbrauch der Sondersignale dazu. Zusätzlich evtl. noch etwas wegen Nötigung im Strassenverkehr (Sobald dir auch nur einer Platz machen musste!). Je nach Fahrstil auch noch Strassenverkehrsgefährdung! Ausserdem kommt noch jede einzelne begangene STVO Übertretung obendrauf! Ausserdem wird wohl ein sofortiger Ausschluss aus den Orgs die Folge sein, sobald die verantwortlichen davon Wind bekommen! Bei einem evtl. Unfall könnte geprüft werden ob Vorsatz vorlag und damit währe die Haftpflichversicherung dann in der Lage die Regressobergrenze bis zur tatsächlichen Schadenshöhe zu überschreiten!

    Nur mal zum Nachdenken...

    Falls du das ganze natürlich in ein berechtigtes KFZ einbaust, dann sehe das oben geschriebene halt einfach als Info die du bei weiteren Gedankenspielen bzgl. eigenem KFZ berücksichtigen solltest.

    Achja: NAtürlich könnte es auch glipfmlicher Ausgehen. Es gibt immer welche die Glück haben und mit einem blauen Auge davonkommen. Aber darauf verlassen sollte man sich nicht!
    Das oben geschriebene ist aber die REgel wenn es durchgezogen wird.
    Und der Ausschluss ist fast immer obligatorisch!

    Gruß
    Carsten
    ***Wichtig***
    Zur Zeit bitte mir keine Mails über die Mailfunktion des Forums schicken, da die hinterlegte Mailadresse zur Zeit spinnt. Mails kommen NICHT, oder mit TAGEN Verspätung an !!!
    Ersatz: *MEINUSERNAME* @Yahoo.de

  11. #11
    Registriert seit
    16.09.2007
    Beiträge
    287
    Ich lisste jetzt mal die Anlageauf und ihr sagt mir ob das klappen sollte :

    Frontblitzer:

    http://shop.wiltec.info/cgi-bin/tabs...69714391,24430

    Heckblitzer:

    http://shop.wiltec.info/cgi-bin/tabs...69714391,24405

    (Modul soll 2 mal in reihe geschalten verwendet werden)

    Martinshorn:

    http://shop.wiltec.info/cgi-bin/tabs...69714391,95427

    (Modul soll 2 mal in reihe geschalten verwendet werden)

    Als Schalter wollte ich diese hier benutzen:

    http://shop.wiltec.info/cgi-bin/tabs...69714391,97015

    Als Master schalter diesen hier:

    http://shop.wiltec.info/cgi-bin/tabs...69714391,97584

    Dieses Kabel:

    http://shop.wiltec.info/cgi-bin/tabs...69714391,94020

    oder dieses

    http://shop.wiltec.info/cgi-bin/tabs...69714391,94032

    Und diesen Sicherungshalter:

    http://shop.wiltec.info/cgi-bin/tabs...69714391,62241

    und diese Sicherung :

    http://shop.wiltec.info/cgi-bin/tabs...69714391,62231


    Was sagt ihr zu dieser kombinationwas muss ich daran ändern bzw. was ist nicht sicher ???


    Mfg

  12. #12
    Registriert seit
    01.08.2006
    Beiträge
    2.332
    der killswitch is geil

    nur wegen der e1 konformität


    in welches auto willst du das zeug einbauen?
    8 von 10 newbies können nicht suchen und googlen!
    schreib dich nicht ab, lerne suchen und googlen.

    Kinder haben im BOS Funk nichts zu suchen!!!!

  13. #13
    Registriert seit
    16.09.2007
    Beiträge
    287
    Zitat Zitat von akkonsaarland Beitrag anzeigen
    der killswitch is geil

    nur wegen der e1 konformität

    e1 konformität ???

    Was soll den das Heißen ???

    Kommt in nen Opel Corsa rein...!!!


    mfg

  14. #14
    Registriert seit
    01.08.2006
    Beiträge
    2.332
    e1 is eh egal
    von den sachen hat nichts, aber auch gar nichts eine zulassung
    also wird das ein teurer spass
    lass es lieber
    8 von 10 newbies können nicht suchen und googlen!
    schreib dich nicht ab, lerne suchen und googlen.

    Kinder haben im BOS Funk nichts zu suchen!!!!

  15. #15
    Registriert seit
    16.09.2007
    Beiträge
    287
    ne ich mein obdas rein technisch so gehen würde !!!!

    was heist na nun e1

    ???

Aktive Benutzer

Aktive Benutzer

Aktive Benutzer in diesem Thema: 1 (Registrierte Benutzer: 0, Gäste: 1)

Berechtigungen

  • Neue Themen erstellen: Nein
  • Themen beantworten: Nein
  • Anhänge hochladen: Nein
  • Beiträge bearbeiten: Nein
  •