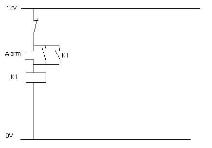
Ich hab eine kleinen Alarmschalter gebaut (Schaltung anbei).
Leider fällt die Spannung wenn ich die Schaltung am Piepser laufen lass auf 0,1 V ab, (Bei Benutzung des Testschalters). Wenn ich dies am Labornetzteil betreibe funktioniert es einwandfrei.
Piepser ist der Swissphone Memo.
Revo



Zitieren