Seite 1 von 3 123 LetzteLetzte
Ergebnis 1 bis 15 von 47

Thema: Programieren vom Bosch FME 88s??

Hybrid-Darstellung

Vorheriger Beitrag Vorheriger Beitrag   Nächster Beitrag Nächster Beitrag
  1. #1
    Registriert seit
    17.09.2005
    Beiträge
    1.480

    Programieren vom Bosch FME 88s??

    Hi,

    ich wollte gerade meinen FME programieren. Wenn die Software den Melder einlesen will, fängt die LED vom Melder an zu leuchten, hört wieder auf und leuchtet wieder. Die Software erkennt den Melder aber auch nicht nach 5Min warum??

    MFG Freaky
    Geändert von Freakmaster (28.09.2005 um 14:03 Uhr)

  2. #2
    Registriert seit
    11.12.2001
    Beiträge
    1.508
    Also, die Suchfunktion hätte da wohl folgende Tips geliefert:

    -Schauen, ob die Kontaktierung zum FME in Ornung ist, gerade beim FME88 kann es passieren, dass ein Federstift auf das Plasik statt auf den Kontakt trift.
    -Den Melder erst einschalten, wenn die Software einen dazu auffordert.
    Wir haben hier eine gute Suchfunktion - es wäre schön, wenn sie auch benutzt würde...

  3. #3
    Registriert seit
    17.09.2005
    Beiträge
    1.480
    Ich habe das ganze jetzt auch mit einem Quattro 96 getestet. Der Melder schaltet zwar in den prog modus aber das programm findet keinen!

    ps. die suchfunktion hab ich befragt aber das hat mir nicht geholfen!

  4. #4
    Registriert seit
    27.02.2002
    Beiträge
    5.257
    Original geschrieben von Freakmaster
    Ich habe das ganze jetzt auch mit einem Quattro 96 getestet. Der Melder schaltet zwar in den prog modus aber das programm findet keinen!

    ps. die suchfunktion hab ich befragt aber das hat mir nicht geholfen!
    Sicher das deine Schaltung richtig aufgebaut ist?
    Wir lassen Messer und Gabel liegen ...
    ... um mit der "Schere" anderen zu helfen.

  5. #5
    Registriert seit
    17.09.2005
    Beiträge
    1.480
    Eigentlich schon aber ich überprüfe nochmal alles bzw. baue eine neue (hab mir schon in weiser voraussicht das ganze doppelt bestellt), die etwas sauberer ist als die alte.

    mfg Freaky

    edit:

    kann des was ausmachen, wenn ich nen elko falschrum drauf habe? bei einem war ich mir nämlich nicht ganz sicher.

  6. #6
    Registriert seit
    11.12.2001
    Beiträge
    1.508
    Nur um sicherzugehen: Der Quattro geht auf Prog, dann geht aber auch nichtsmehr?

    Wenn ja: Schaltung prüfen, da ist dann was Faul. Für weitere Experimente würde ich den FME88 nehmen, der Quattro könnte es schnell übel nehmen, wenn das Interface nicht in Ordnung ist. Schau mal, ob die Datenleitungen nicht irgendwo vertauscht, unterbrochen oder kurzgeschlossen sind.

    Wenn ein Elko verpolt wurde, wegschmeißen und neuen nehmen, da er das unter Umständen nicht überlebt hat. Es macht was aus, bei welchem bist du dir nicht sicher?
    Wir haben hier eine gute Suchfunktion - es wäre schön, wenn sie auch benutzt würde...

  7. #7
    Registriert seit
    17.09.2005
    Beiträge
    1.480
    Also ich habs gerade nochmal durchgemessen und zwischen GND und RXD und zwischen GND und TXD (Melderserseitig) und TXD und GND (com-port) habe ich scheinbar nen kontakt?? weis aber nicht woher alle Lötstellen sind einwandfrei ohne Kurzen!!

    Zum Quattro: Ja der geht auf Prog und dann geht programmäßig nix mehr

    Beim C3 bin ich mir nicht sicher. hab jetz - auf pin 15
    Geändert von Freakmaster (27.09.2005 um 23:31 Uhr)

  8. #8
    Registriert seit
    27.02.2002
    Beiträge
    5.257
    Also ich hab nur durschlag von txd auf ground.
    Wir lassen Messer und Gabel liegen ...
    ... um mit der "Schere" anderen zu helfen.

  9. #9
    Registriert seit
    17.09.2005
    Beiträge
    1.480
    Und der Elko?? ist der richtig rum drine?

  10. #10
    Registriert seit
    27.02.2002
    Beiträge
    5.257
    Original geschrieben von Freakmaster
    Und der Elko?? ist der richtig rum drine?
    Ne auf Pin 15 muß die Plusseite ran.
    Wir lassen Messer und Gabel liegen ...
    ... um mit der "Schere" anderen zu helfen.

  11. #11
    Registriert seit
    11.12.2001
    Beiträge
    1.508
    Der ist flaschrum, in der Anleitung passt es schon.

    Geändert von Grisuchris (27.09.2005 um 23:52 Uhr)
    Wir haben hier eine gute Suchfunktion - es wäre schön, wenn sie auch benutzt würde...

  12. #12
    Registriert seit
    17.09.2005
    Beiträge
    1.480
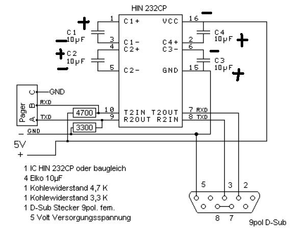
    Also dann so:
    Miniaturansichten angehängter Grafiken Miniaturansichten angehängter Grafiken Klicken Sie auf die Grafik für eine größere Ansicht 

Name:	elko.jpg 
Hits:	634 
Größe:	37,5 KB 
ID:	2910  

  13. #13
    Registriert seit
    27.02.2002
    Beiträge
    5.257
    ja genau ..
    so is doch der schaltplan gemalt
    Wir lassen Messer und Gabel liegen ...
    ... um mit der "Schere" anderen zu helfen.

  14. #14
    Registriert seit
    17.09.2005
    Beiträge
    1.480
    Mich hat nur gestört, dass da GND und - dranne is dachte mir GND hat Vorrang???

    Also Elko raus neuer rein oder muss ich noch was tauschen?

  15. #15
    Registriert seit
    11.12.2001
    Beiträge
    1.508
    Elko tauschen, dann mal den Max 232 rausnehmen und die Leitungen messen, wenn der IC nicht drin ist, darf nirgends ein Kurzschluss sein.
    Wenn das auch nichts hilft, mal nen anderen Max232 testen, nicht dass der hinüber ist.

    Zu der GND-Sache: GND ist das Bezugspotential der ganzen Schaltung. An Pin 6 des max232 liegen ca. -(!)12V bezogen auf GND an, daher muss die Minusseite des Elkos dahin, wie sie auch gezeichnet ist. Diese -12V kann der Max232 aus seinen +5V Versorgungsspannung erzeugen. Er braucht sie, da die serielle Schnittstelle mit +-12V als Spannungspegel arbeitet und nicht mit 0 und 5V wie der FME. Und wie er diese -12V erzeugt, erkläre ich mal bei Gelegenheit wenn ich an der Uni nichts zu tun habe...
    Geändert von Grisuchris (28.09.2005 um 00:07 Uhr)
    Wir haben hier eine gute Suchfunktion - es wäre schön, wenn sie auch benutzt würde...

Aktive Benutzer

Aktive Benutzer

Aktive Benutzer in diesem Thema: 1 (Registrierte Benutzer: 0, Gäste: 1)

Berechtigungen

  • Neue Themen erstellen: Nein
  • Themen beantworten: Nein
  • Anhänge hochladen: Nein
  • Beiträge bearbeiten: Nein
  •