Seite 1 von 2 12 LetzteLetzte
Ergebnis 1 bis 15 von 30

Thema: Quattro 98

  1. #1
    Registriert seit
    01.07.2003
    Beiträge
    2.550

    Quattro 98

    Hi!

    Ich besitze einen Quattro 98, der im Flur steht! Aus Umzugsgründen musste ich mir etwas einfallen lassen, dass ich den Alarm auch in meinem Schlafzimmer mitbekomme! Die Lösung war ein Handelsüblicher Türgong mit 9-V Block, von dem zwei Kabel weggehen! Ich schloss ihn am Ausgang für den Alarmschalter an! So weit so gut! Funktionierte bis dahin auch einwandfrei! Aber da ich im Obergeschoss auch noch ein Büro habe, brachte ich noch einen zweiten baugleichen Türgong an! Aber es funktionierte nicht! An was kann es liegen? Ich hab gehört das man zwei Stück nicht parallel betreiben kann! Man hat mir gesagt ich soll es mit einem Reed-Relais probieren! Aber wie baue ich so ein Reed Relais ein? Und wie verkabel ich es? Könnte mir jemand von euch helfen? Oder sogar einen Schaltplan zeichnen, und mir den dann an meine E-Mail adresse zu schicken! Meine E-Mail Adresse wäre st.rauscher@VR-Web.de!

    Ich wäre euch sehr dankbar!

    Viele Grüße!

    Florian kommen
    Ich nehme Diazepam gegen Durchfall! Das hilft zwar nicht gegen Durchfall, aber ich rege mich nicht mehr so auf, wenn ich ins Bett scheiße!

  2. #2
    Registriert seit
    18.12.2001
    Beiträge
    4.989
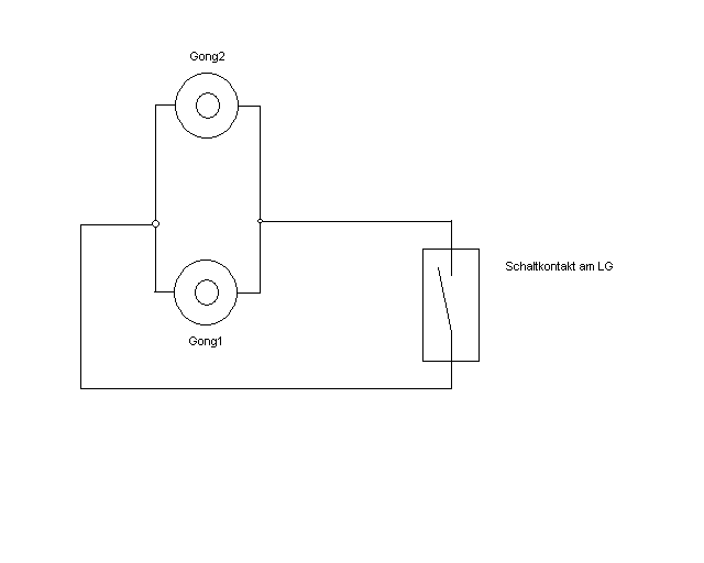
    Hmmm ... sicher das das nicht so geht ??? Kann ich mir kaum vorstellen. Könntest du erstmal nen kleinen Plan zeichnen wie das ganze bei dir verdrahtet ist und welchen Gong du benutzt. Wichtig zu wissen wäre wie bei dem Gong der Schlatkontakt gelöst ist. Und wie die Spannungsversorgung läuft.

    Wenn das doch nicht klappt musst du ein 2tes Relais einbauen. Das muss kein ReedRelais sein.

    Wichtig ist nur folgendes. Das Relais im LG hat nur einen Schließerkontakt der nach außen an die DIN Buchse führt. Für X Gongs brauchst du aber wohl X Kontakt. Also musst du dir dann ein entsprechendes Relais kaufen was X Kontakte hat.
    Das einfachste ist wenn du das dann auch über eine 9V Batterie betreibst. Da kann ich dir dann mal einen Plan zeichnen wenn du willst.

    Gruß Joachim

  3. #3
    Aircell Gast
    vielleicht kann es sein, dass das Relais am LG nicht so viel "Kraft" hat den Weg zu überwinden... weiß ja nicht wie lange strippen du gezogen hast.

  4. #4
    Registriert seit
    06.04.2003
    Beiträge
    77
    Hallo,

    ich denke, dass es eigentlich funktionieren müsste, wenn man zwei Gongs parallel schaltet, zumindest, wenn es die gleichen sind. Das Kabel dürfte eigentlich nicht zu lang sein. Wenn aber doch, dann liegt es meiner Meinung nach an dem Gong und nicht am Ladegerät, weil da ja einfach nur ein Schließer drin ist. Es kann sein, dass der Gong zu wenig Schaltstrom gibt, so dass auf dem Rückführenden zu wenig ankommt, um den Gong auszulösen.

    Das einfachste ist, wie schon gesagt, ein Relais mit zwei Schließern hinter das LG und dann die Gongs einzeln an die Kontakte. Dann muss es auf jeden Fall funktionieren.

  5. #5
    Registriert seit
    10.12.2001
    Beiträge
    6.356
    Original geschrieben von Carsten
    vielleicht kann es sein, dass das Relais am LG nicht so viel "Kraft" hat den Weg zu überwinden... weiß ja nicht wie lange strippen du gezogen hast.
    Ein Schalter ist ein Schalter und wird es bleiben. Wenn er geschlossen ist, ist es egal, wie lange die Kabel an seinen Enden sind, dann ist er eben geschlossen und es kann Strom über ihn fliessen. Und wenn er offen ist, dann ist er eben offen und kein Strom kann über ihn fliessen.

    @Florian kommen: Hast Du die beiden Türgongs wirklich parallel an den einen Schaltkontakt des LG geführt? Oder kann es sein, dass sich da eine Serienschaltung "gebildet". Geht nach dem Anschliessen des zweiten Gongs der erste noch? Oder funktioniert dieser auch nicht mehr?
    Angehängte Grafiken Angehängte Grafiken
    Zitat Zitat von Sir Quickly (Irgendwie und sowieso)
    Dahoam is do wos Gfui is.

  6. #6
    Aircell Gast
    uups, ein kleiner denkfehler... ich geb mich ja geschlagen...

  7. #7
    Registriert seit
    01.07.2003
    Beiträge
    2.550
    Erstmal Danke Quietschephon!

    Ich bin mir ganz sicher dass die beiden Gongs parallel geschaltet sind! Nach dem Anschliesen des zweiten Gongs geht keiner der beiden Gongs mehr!

    Gruß Florian kommen!

  8. #8
    Registriert seit
    01.07.2003
    Beiträge
    2.550
    Hie Joachim!

    Auch an dich erst mal ein riesen Dankeschööön!

    Meine Gongs sind verdratet wie es die Zeichnung von Quietschephon zeigt! Wie der Schaltkontakt bei den Gongs gelöst ist kann ich dir momentan nicht sagen. Es ist ein ganz normaler 3-Klang Gong aus dem Baumarkt!

    Was für ein Relais brauch ich denn für meine Gongs?
    Könntest du mir eine Zeichnung machen wie ich das Relais einbauen muss dass ich zwei Gongs betreiben kann?

    Gruß Stefan
    Ich nehme Diazepam gegen Durchfall! Das hilft zwar nicht gegen Durchfall, aber ich rege mich nicht mehr so auf, wenn ich ins Bett scheiße!

  9. #9
    Registriert seit
    20.12.2001
    Beiträge
    2.193
    Hallo Florian !

    Ich müsste mich jetzt sehr täuschen, aber die LG429 haben keinen Schließer, sondern geben eine Spannung von ca. 12 V aus. Das würde auch erklären warum es nicht mehr funktioniert sobald Du den zweiten Gong anschließt. Mit der Ausgangsspannung von LG kannst Du ein Relais ansteuern, das dann die Gongs einschaltet.

    Zeichnung kommt nach.

    ~Joe~
    PN-Fach ist wieder aktiv. Bitte keine Anfragen wegen Programmiersoftware .

  10. #10
    Registriert seit
    18.12.2001
    Beiträge
    4.989
    Also Joe ...
    Jetzt enttäuchst du mich aber ....

    Das LGRA429 hat ja wol nen Schließerkontakt!! Und gibt keine Spannung ab. Und mit einem Gong ging das ja.

    @Florian

    So hab ich mir das Gedacht : (siehe Bild)


    Gruß Joachim
    Miniaturansichten angehängter Grafiken Miniaturansichten angehängter Grafiken Klicken Sie auf die Grafik für eine größere Ansicht 

Name:	relais.gif 
Hits:	330 
Größe:	4,4 KB 
ID:	685  

  11. #11
    EIS - Mann Gast
    Hallo ihr Buben

    @MiThoTyN
    warum über AA Baterien? Wenn ich mir schonn ein Relai kaufen soll kann ich auch die 9V DC die an zwei Testpunkten im Ladegerät anliegen an den Relai-kontakt legen und kann somit die Batterien sparen und bin nicht Kapazitätsabhängig (Batterie Leer).

    Meineswissens hat das LGRA 429 einen Schlieserkontakt der Max. 30 V verträgt wie groß der Strom ist weis ich aus em Stehgreif nicht aber ich schau heut abend wenn ich noch dran denk.

    Ich Denke das der Türgong eine eigene Schaltspannung ausgibt und die zwei Leitungen bei verbindung den Gong auslösen.

    Deswegen sollte es eigentlich mit dem internen Relai im LGRA 429 funzen.

    Fazit @Florian kommen:
    es kann höchstens sein das du, da es sich um 9V DC handelt, die leitungen des anderen Türgong vertauscht hast (+ mit -) und somit dir die Spannung an den Türgongs zusammenbricht.
    probier doch mal die 2 Leitungen "eines Türgongs" anderst rum zu verbinden.

    Servus EIS - Mann
    Geändert von EIS - Mann (03.07.2003 um 13:47 Uhr)

  12. #12
    Registriert seit
    18.12.2001
    Beiträge
    4.989
    @Eis-Mann

    Das mit dem vertauschen hab ich auch schon vermutet .... wollt ich gerade schreiben.

    Warum AA Baterien ?? Weil es kein 9V Relais gibt. Also muss ich nochmehr Bauteile einbauen um die 5V zu erhalten.
    Und die Spannung aus dem LG Führen ist auch so eine Sache. Das hat ja noch niemand genau gefunden welche Lötpunkte für welche Spannung ist. Und die Belastbarkeit ist auch so ne Sache.

    Wenn in den Gongs schon Batterien drinne sind kann man da auch welche reinmachen. Und wie oft ist den Alarm ?? Also die Batterien halten schon ne Weile.

    Meine ist halt die einfachste Lösung. Klar gibt es da noch bessere Wege ...


    Gruß Joachim

  13. #13
    EIS - Mann Gast
    Servus MiThoTyN

    die 9V DC hab ich gefunden sind recht einfach zu lokalisieren kann ich dir schicken wen du interesse hast. Über die Belastbarkeit kann ich leider auch keine auskunft geben, dürfte aber Steckernetzteil abhängig sein da bis zu diesen 9V DC nur eine B2U und ein Ladekondensator verbaut sind mit einem 7805 wie du schonn sagtest kann man aber supi die Prog. einrichtung intern im LGRA verbauen.

    Hast ja recht mit einfache lösung. Einfacher wäre natürlich wenn es die vertauschte Leitung wären.

    Servus
    EIS - Mann
    Geändert von EIS - Mann (03.07.2003 um 14:18 Uhr)

  14. #14
    Registriert seit
    01.07.2003
    Beiträge
    2.550
    Hallo!

    Kann ich in diesem Fall mit einem Leiterplattenrelais was anfangen? Nennspannung 12V?

    Gruß Florian!

  15. #15
    Registriert seit
    18.12.2001
    Beiträge
    4.989
    Leiterplatte ja .. 12V Nein ...
    Du hast keine 12 Volt. Es muss 5 Volt oder 6 Volt haben damit es nach meinem Plan funktioniert, bzw damit es überhaupt funktioniert.

    Gruß Joachim

Aktive Benutzer

Aktive Benutzer

Aktive Benutzer in diesem Thema: 1 (Registrierte Benutzer: 0, Gäste: 1)

Berechtigungen

  • Neue Themen erstellen: Nein
  • Themen beantworten: Nein
  • Anhänge hochladen: Nein
  • Beiträge bearbeiten: Nein
  •