Ergebnis 1 bis 11 von 11

Thema: Hat jemand ne Bauanleitung Programmieradapter GP900 ??

Hybrid-Darstellung

Vorheriger Beitrag Vorheriger Beitrag   Nächster Beitrag Nächster Beitrag
  1. #1
    ChristianM Gast

    Hat jemand ne Bauanleitung Programmieradapter GP900 ??

    Hallo,

    ich bin auf der Suche nach einer Bauanleitung möglichst mit Platinenlayout für einen Programmieradapter ( GP 900 )
    Danke im Voraus

    Gruß Christian

  2. #2
    Registriert seit
    19.12.2001
    Beiträge
    779
    soll wohl mit dem UPI bzw. mit der RIB-Box auf www.batlabs.com funktionieren. Habe es selber noch nicht getestet.

  3. #3
    Registriert seit
    10.12.2001
    Beiträge
    773
    geht definitiv mit den anleitungen auf dieser seite!
    ...man muss kein Meister oder Dipl. Ing. sein, man muss es können...

  4. #4
    Registriert seit
    11.01.2003
    Beiträge
    987
    wo gibs denn die Software für die GP900 geräte ? Muss man bestimmt kaufen oder ? was kostet die software in etwa ?
    tower911

  5. #5
    Registriert seit
    10.12.2001
    Beiträge
    6.356
    Hallo,

    zu kaufen gibt's die Software z.B. bei Selectric (http://www.selectric.de).
    Kosten weiss ich nicht auswendig, Du musst aber Unterscheiden zwischen der Version für GP900 und der Version für GP900-11b!!!
    Zitat Zitat von Sir Quickly (Irgendwie und sowieso)
    Dahoam is do wos Gfui is.

  6. #6
    Registriert seit
    10.12.2001
    Beiträge
    773
    rib box warenwert: ca 20 Euro

    kabel warenwert: ca 5 Euro

    bauzeit für beide, habe ca 2 stunden gebraucht (zusammen 75 Euro)

    macht dann so ca 360 Euro ersparnis...

    zumindest das kabel kannst selber machen, dazu muss man so gut wie gar keine kenntnisse haben!

    und geht genausogut wie das originalzeug...
    ...man muss kein Meister oder Dipl. Ing. sein, man muss es können...

  7. #7
    Registriert seit
    10.12.2001
    Beiträge
    549
    @ SEG-Betreuung!

    Kannst du mir sagen, wo ich an dem GP900/FuG11b mit dem Proggi(ich verwende das MAK-Interface, mit dem sich alle Motorola- Geräte programmieren lassen) rangehen muß? Ich werde bei den vielen Anleitungen von batlabs.com nicht so richtig schlau.
    Möchte mich endlich mal über die GP900 hermachen.
    Das MAK- Interface ersetzt die RIB-Box und läßt sich auf alle Datenübertragungsprotokolle einstellen, ich müßte eben nur wissen, welche Kontakte und wo notwendig sind. (Bus, GND?) Müßte ja ähnlich wie beim GP300 sein.

    Danke!

    Gruß, Peter

  8. #8
    Registriert seit
    10.12.2001
    Beiträge
    773
    das mak interface ist mir fremd bzw. ich hab noch nix damit zu tun gehabt.

    aber wenn diese vollkompatibel sind, dann ist doch nix dabei.

    nimm einfach den plan von batlabs und bau dir den adapter und ran an dein interface...

    sind diese nicht kompatibel, also haben sie eine unterschiedliche belegung des ausgangssteckers, bei der Rib 25 polig sub d, dann vergleiche die beiden belegungen und bastel die noch nen adapter, der mak belegung auf rib belegung wandelt.

    ich würde den mak auf rib aber allpolig belegen, dann hast nen vollwertigen adapter und kannst alle motorolakabel, ob nun original oder nachbau an deinem interface verwenden und musst nicht immer aufpassen, ob du grad nen mak oder nen rib programmieradapter hast.

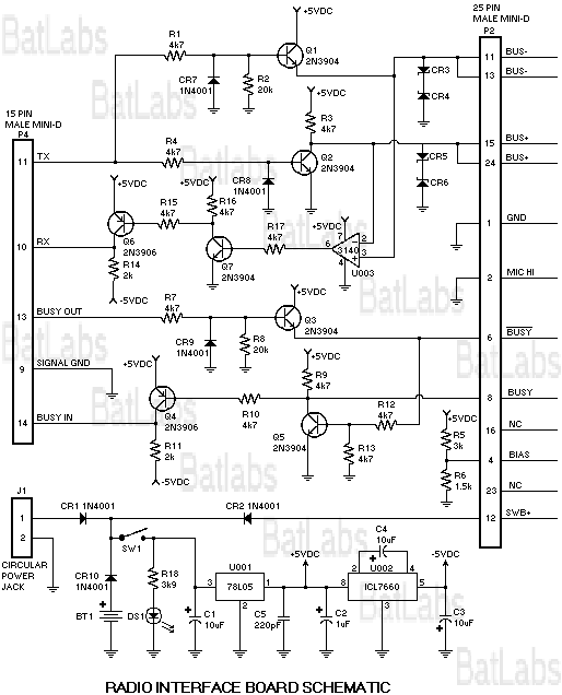
    ich häng dir die belegung der rib noch mit dran, dann kannst loslegen...
    Miniaturansichten angehängter Grafiken Miniaturansichten angehängter Grafiken Klicken Sie auf die Grafik für eine größere Ansicht 

Name:	rib.gif 
Hits:	588 
Größe:	19,9 KB 
ID:	537  
    ...man muss kein Meister oder Dipl. Ing. sein, man muss es können...

  9. #9
    Registriert seit
    10.12.2001
    Beiträge
    549
    @ SEG-Betreuung!

    Danke für die Infos. Allerdings habe ich das etwas anders gemeint.
    Infos über das Interface www.makinterface.de.
    Das Teil stellt ein komplettes Interface dar, quasi die Schnittstelle zwischen PC und Funkgerät bzw.FME/DME. Ich programmiere damit sämtliche FME/DME und auch das GP300.
    Bei Motorola ersetzt es die RIB-Box UND das Programmierkabel.
    Deshalb hat mich eigentlich nur interessiert, welche Kontakte am FuG zum Programmieren notwendig sind und wie die Daten übertragen werden. Da gibt es ja verschiedene Möglichkeiten, RX/TX getrennt, gemeinsam(BUS), invertiert etc. All das kann man am MAK per Jumper einstellen. Dazu brauche ich beim GP900 doch sicher erstmal so einen Zubehör-Stecker, oder?? Ich brauche nur die entsprechenden Drähte vom MAK an das FuG ranzutüdeln und hinten den PC ranstecken und los gehts. Funktioniert zu 100%. Habe letztens erst wieder damit einen Advisor und einen Scriptor programmiert.
    Beim GP300 gabs nur BUS und GND, so wie es bei den meisten FuGs von Motorola ist.

    Gruß, Peter

  10. #10
    Registriert seit
    10.12.2001
    Beiträge
    773
    es ersetzt sicher nur die rib!
    das kabel kanns nicht ersetzen, du brauchst ja eins, oder?

    und im originalkabel ist auch nur kupfer drin, also eine einfache verbindung zweier punkte ohne sonstige einbauten...

    drum meine ich ja, mach dir nen adapter von deiner mak auf die rib und dann kannst die batlabs kabel 1:1 nachbaun!

    und ich nehm nie den originalstecker, hab keine lust für kunststoff 50 € zu zahlen, der nur 50 cent wert ist.

    nehme immer federstifte von RS und ein stück plexiglas, da dran geeignete befestigungen (beim gp 900 passt der kabelkanaldeckel vom 60er kanal fast perfekt!) und los gehts!
    ...man muss kein Meister oder Dipl. Ing. sein, man muss es können...

  11. #11
    Registriert seit
    10.12.2001
    Beiträge
    549
    @ SEG-Betreuung!

    Wenn das Programmierkabel sowieso nur Drähte enthält, brauche ich es ja auch nicht, an dem MAK ist ja schon ein Flachkabel dran. Hat sich mittleweile erledigt, ich habe mir einen Zubehörstecker besorgt und die Anschlußbelegung inzwischen selbst rausgefunden, funzt einwandfrei.
    Ich habe nur die Anschlußbelegung am FuG gebraucht, mehr nicht. Trotzdem Danke für deine Antworten.

    Gruß, Peter

Aktive Benutzer

Aktive Benutzer

Aktive Benutzer in diesem Thema: 1 (Registrierte Benutzer: 0, Gäste: 1)

Berechtigungen

  • Neue Themen erstellen: Nein
  • Themen beantworten: Nein
  • Anhänge hochladen: Nein
  • Beiträge bearbeiten: Nein
  •