Seite 2 von 2 ErsteErste 12
Ergebnis 16 bis 28 von 28

Thema: RE229

  1. #16
    Registriert seit
    20.12.2001
    Beiträge
    2.193

    RE229 Programmer

    Hallo Kerni,

    ich würde einfach den Übertrager nehmen den Du bei Reichelt ordern kannst. Der Übertrager dient nur der Gleichspannungstrennung, der Lautstärkepegel wird mit der Soundkarte eingestellt. Ich bin mir sicher dass der Übertrager funktionieren wird.

    ~Joe~
    PN-Fach ist wieder aktiv. Bitte keine Anfragen wegen Programmiersoftware .

  2. #17
    Registriert seit
    14.08.2002
    Beiträge
    161
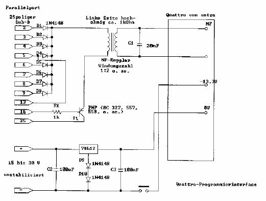
    Bei dem Kabel dessen Bauanleitung man im Downloadbereich findet (nicht Weyrich), braucht man keine Soundkarte - man schliesst das ganze an den COM-Port (warum steht auf dem Bild eigentlich Parallel-Port - die Software kann doch nur seriell) an.
    Und da stellt sich natürlich die Frage, was nehmen, weil einen Übertrager mit so einem hohen Eingangswiderstand, den kann ich nirgends finden --> siehe Anhang.
    Mein Notebook, auf dem die Programmiersoftware ist, hat keine Soundkarte oder sowas und ich wollte eigentlich nicht das Gehäuse anbohren, um den internal Speaker abgreifen zu können.

    Fällt mir gerade ein: könnte ich nicht einen x-beliebigen Übertrager nehmen und dahinter ein Poti klemmen, mit dem ich dann einstelle was ich brauche (was auch immer das jetzt wäre)? - nur so 'ne Idee.
    Miniaturansichten angehängter Grafiken Miniaturansichten angehängter Grafiken Klicken Sie auf die Grafik für eine größere Ansicht 

Name:	interface.jpg 
Hits:	198 
Größe:	37,6 KB 
ID:	424  
    Geändert von Kerni (14.02.2003 um 09:21 Uhr)
    Bei Wind und Wetter zeigt sich der wahre Lebensretter!

  3. #18
    Michael Reichert Gast
    Hallo,
    wie wärs denn mit einem 1k Widerstand in Reihe zum Übertrager??

  4. #19
    Registriert seit
    14.08.2002
    Beiträge
    161
    Habe ich auch schon überlegt. Beliebiger Übertrager und auf beiden Seiten mit Widerständen in Reihe die gewünschten Werte herstellen - funktioniert das?!?
    Bei Wind und Wetter zeigt sich der wahre Lebensretter!

  5. #20
    Aircell Gast
    wieso hat dein notebook keine soundkarte??? gibts ned...wo soll der sound herkommen in den internem lautsprechern?

  6. #21
    Registriert seit
    14.08.2002
    Beiträge
    161
    Also da habe ich jetzt keine Lust drüber zu diskutieren. Klar braucht man fü nen internal Speaker auch irgenwo nen Chip, aber wie gesagt ich müsste ja irgendwie da abgreifen und was nach draussen legen und das will ich nicht. Es ist übrigens ein 386er-Notebook und da war das alles noch ein wenig anders ( die hatten manchmal nur nen Piezo-Piepser). Allerdings für alte Programmiersoftware gibt es nichts besseres!

    Zurück zum Thema. Ich habe gerade herausgefunden, das beim Original die RS232-Schnittstelle über eine Spule den NF-Pin des FMEs kontaktiert. Welchen Wert hat denn diese Spule?
    Bei Wind und Wetter zeigt sich der wahre Lebensretter!

  7. #22
    Registriert seit
    10.12.2001
    Beiträge
    681
    Wie funktioniert das denn genau, wenn ich den RE 229 über die Soundkarte programmieren möchte ?


    @Kerni
    Ich habe diese Schaltung schon nachgebaut, die du her im Downloadbereich findest, nur noch nicht die entsprechende Software dazu gefunden, da die Schaltung ja über den Seriellen Port funktioniert. Ich weiss also ich nicht ob sie funktioniert.

    Habe zwar das ganz auch schon über Com versucht, aber leider vergebens. Deswegen suche ich jetzt nach einer Alternative.

  8. #23
    Registriert seit
    10.12.2001
    Beiträge
    681
    Original geschrieben von Alex112
    Hallo Kerni,

    diese Schaltung ist viel zu kompliziert. Hier im Downloadbereich gibt's ein Programm von Herrn Weyrich - da benötigst Du keine Schaltung, lediglich ein Netzgerät und eine Einspeisung von Deiner Soundkarte.

    Viele Grüsse, Alex

    Und wie funktioniert das genau ?

  9. #24
    Registriert seit
    14.08.2002
    Beiträge
    161
    @ welpe
    Der COM-Port ist die serielle Schnittstelle und über die funktionierts - mit der originalen Software jedenfalls. Die andere Möglichkeit ist die, den internal Speaker oder die Soundkarte zu kontaktieren und die am PC generierten Töne bei anliegender Programmierspannung in den Melder zu schießen. Man muß allerdings den Pegel angleichen, also ein Poti dazwischenschalten und ein wenig probieren bis es klappt.
    Ist alles ein wenig unausgegoren und zu wenig universell. Funktioniert die Schaltung über den COM-Port einmal, dann funktioniert sie auch an jedem anderen Rechner, die andere Methode ist von Rechner zu Rechner neu auszuprobieren!
    Deswegen möchte ich ja eine universelle Lösung!
    Bei Wind und Wetter zeigt sich der wahre Lebensretter!

  10. #25
    Registriert seit
    10.12.2001
    Beiträge
    681
    Sorry, ich meinte nicht den Seriellen sondern den parallelen.

    Aber leider funktioniert die Schaltung nicht ganz. Ich möchte es eben nochmal ausprobieren, aber eben mir fehtl die SW die den Parallel port ansteuert.

  11. #26
    Registriert seit
    14.08.2002
    Beiträge
    161
    Da kannst Du aber lange suchen - die Software die Du findest wird immer für den COM-Port sein (ich habe 4 verschiedene gefunden)
    Bei Wind und Wetter zeigt sich der wahre Lebensretter!

  12. #27
    Registriert seit
    10.12.2001
    Beiträge
    681
    Ja, das habe ich auch schon gemerkt.

    Wenn du die Schaltung nachbaust die du hier im DL Bereich findest, wie schleißt du dann den Com Port an ?

    Gib mir mal noch den link zu der Schaltung.

  13. #28
    Registriert seit
    14.08.2002
    Beiträge
    161
    Also die Schaltung aus dem Downloadbereich - wer hat die eigentlich eingestellt? Wie kann das so wie es da steht funktionieren (Hat da echt einer eine Software für den Parallelport geschrieben?)?
    Habe per Mails Infos bekommen (RS232, Original-Software, ...) und mache mich Montag ans Basteln. Wenns funktioniert werde ich wieder von mir Hören lassen und wenn nicht sowieso!
    Bei Wind und Wetter zeigt sich der wahre Lebensretter!

Aktive Benutzer

Aktive Benutzer

Aktive Benutzer in diesem Thema: 1 (Registrierte Benutzer: 0, Gäste: 1)

Berechtigungen

  • Neue Themen erstellen: Nein
  • Themen beantworten: Nein
  • Anhänge hochladen: Nein
  • Beiträge bearbeiten: Nein
  •