
Zitat von
SwissphoneJoker
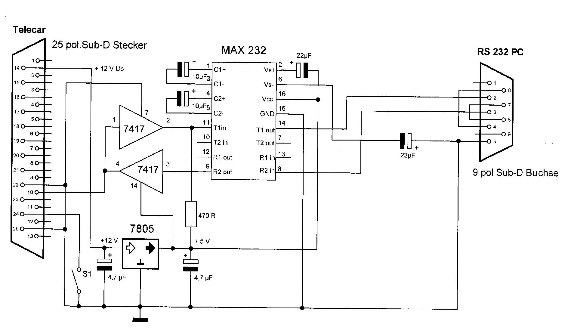
Hallo wollte das Programmierinterface nachbauen (Bild im Anhang) komme aber nicht so ganz klar.
Was z.B ist der
- 7805 oder der 7417
- 12V UB
- 470 R
- 10 mf
- 4,7 mf
Kann mir jemand helfen vielleicht auch noch zusätzliche Tipps geben danke ! hat vielleicht jemand eine Stückliste was mann braucht
Mfg
Du scheinst ja nicht so viel ahnung von elektronik zu haben, oder?
Der 7805 ist ein Spannungsregler
- 7417 ist ein TTL-IC
- 12V UB ist eine Spannung
- 470 R ist ein Wiederstand
- 10 mf ist ein Elko
- 4,7 dito
Was man braucht, ist aus dem Schaltplan ja ersichtlich, daraus kann man ja die Stückliste anfertigen.
Wünsche Dir viel Glück beim Zusammenbauen und Programmieren.
9 von 10 Mißerfolgen haben die gleiche Ursache: Mangelnde Vorbereitung