Ergebnis 1 bis 5 von 5

Thema: Telefunken FuG10 - Motorola Mikro

  1. #1
    skipper_rts Gast

    Telefunken FuG10 - Motorola Mikro

    Moin,

    irgendwie stehe ich auf dem Schlauch. Für ein Bosch FuG10 habe ich ein Motorola Handmikrofon umgebaut und es funktioniert. (Den Schaltplan habe ich einem früheren Beitrag veröffentlicht.)

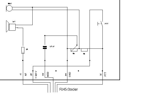
    Jetzt möchte ich das gleiche für ein Telefunken FuG10 bauen. Da die PTT Taste auf "+" schaltet, brauche ich fünf Adern, daher zusätzlich ein 5-adriges Spiralkabel. Bei der angehängten Schaltung funktioniert der Lautsprecher und die PTT-Taste, jedoch nicht das Mikro. Zur Info, es handelt sich um ein Elektretmikro.

    Ich denke, mittlerweile bin ich betriebsblind und wahrscheinlich ist es eine Kleinigkeit, aber ich sehe es nicht. Ich würde mich über Hilfe freuen.

    Gruß Ralph Thomas
    Miniaturansichten angehängter Grafiken Miniaturansichten angehängter Grafiken Klicken Sie auf die Grafik für eine größere Ansicht 

Name:	Telefunken FuG 10 - Schaltung Mikro.jpg 
Hits:	302 
Größe:	50,1 KB 
ID:	10664  
    Geändert von skipper_rts (31.08.2009 um 15:53 Uhr)

  2. #2
    skipper_rts Gast
    Hallo oxi112,

    danke für die Antwort, leider kann ich das Bild nicht öffnen bzw. darstellen. Könntest Du bitte das Bild als .jpg hochladen.

    Gruß Ralph Thomas

  3. #3
    Registriert seit
    13.01.2009
    Beiträge
    47
    selbstverfreilich.
    Miniaturansichten angehängter Grafiken Miniaturansichten angehängter Grafiken Klicken Sie auf die Grafik für eine größere Ansicht 

Name:	M+W LSM.jpg 
Hits:	213 
Größe:	24,0 KB 
ID:	10668  

  4. #4
    skipper_rts Gast
    Danke,

    was ist denn der linke Baustein mit "5k"?

    "Mod" geht auf Kontakt "G"?

    Gruß Ralph Thomas

  5. #5
    Registriert seit
    13.01.2009
    Beiträge
    47
    Der Baustein ist ein kleiner Trimmer, den ich mit eingebaut habe um mit dem Widerstand ein wenig zu variieren.

    MOD geht auf Pin G (Sender-NF)

    Gruß

Aktive Benutzer

Aktive Benutzer

Aktive Benutzer in diesem Thema: 1 (Registrierte Benutzer: 0, Gäste: 1)

Berechtigungen

  • Neue Themen erstellen: Nein
  • Themen beantworten: Nein
  • Anhänge hochladen: Nein
  • Beiträge bearbeiten: Nein
  •