Moin,
irgendwie stehe ich auf dem Schlauch. Für ein Bosch FuG10 habe ich ein Motorola Handmikrofon umgebaut und es funktioniert. (Den Schaltplan habe ich einem früheren Beitrag veröffentlicht.)
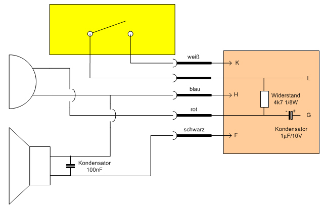
Jetzt möchte ich das gleiche für ein Telefunken FuG10 bauen. Da die PTT Taste auf "+" schaltet, brauche ich fünf Adern, daher zusätzlich ein 5-adriges Spiralkabel. Bei der angehängten Schaltung funktioniert der Lautsprecher und die PTT-Taste, jedoch nicht das Mikro. Zur Info, es handelt sich um ein Elektretmikro.
Ich denke, mittlerweile bin ich betriebsblind und wahrscheinlich ist es eine Kleinigkeit, aber ich sehe es nicht. Ich würde mich über Hilfe freuen.
Gruß Ralph Thomas




Zitieren