Ergebnis 1 bis 8 von 8

Thema: Umbau am LG 13 /quattro re229

  1. #1
    Registriert seit
    09.04.2002
    Beiträge
    1.658

    Umbau am LG 13 /quattro re229

    Moin!

    Ist es möglich am Ladegerät LG13 einen Relaisausgang einzubauen? Ich brauche lediglich einen kurzeitigen Schließer, der ein Zeitrelais ansteuern würde.
    Gerrit Peters
    ______________________________

  2. #2
    Registriert seit
    11.12.2001
    Beiträge
    1.508
    Wir haben hier eine gute Suchfunktion - es wäre schön, wenn sie auch benutzt würde...

  3. #3
    Registriert seit
    09.04.2002
    Beiträge
    1.658
    Super!!! Das ging ja nun mal wirklich schnell! Danke!
    Gerrit Peters
    ______________________________

  4. #4
    Registriert seit
    09.04.2002
    Beiträge
    1.658
    Mahlzeit!

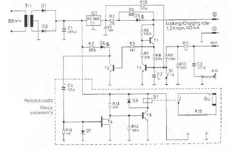
    Ich habe soeben das Relais im Ladegerät nachgerüstet.

    Wenn die rote LED zu Leuchten beginnt, zieht das Relais für ca. 3sec an. Drückt man den Resetknopf am Ladegerät, fängt das ganze Spiel von vorne an, da der Melder damit nicht resetet wird. Ist das korrekt? (hatte bisher nix mit Quattro RE229 zu tun)

    Ziemlich Probleme hat mir die Skizze von Christian bereitet, da darin leider beide Transistoren falsch rum eingezeichnet sind.
    Ich habe für T4 einen BF245B und für T5 einen BC337 verwendet. Vorm Einbau habe ich dann noch einmal die Datenblätter der Transistoren rausgesucht und die Einbaulage mit dem Plan verglichen...

    BF245B: http://www.ortodoxism.ro/datasheets/...245A-B-C_2.pdf
    BC 337: http://www.ortodoxism.ro/datasheets/philips/BC337_3.pdf

    FET: http://www.elektronik-kompendium.de/...au/0207011.htm
    T: http://www.elektronik-kompendium.de/...au/0201291.htm

    Gruß
    Miniaturansichten angehängter Grafiken Miniaturansichten angehängter Grafiken Klicken Sie auf die Grafik für eine größere Ansicht 

Name:	lg13_mit_relais.jpg 
Hits:	296 
Größe:	60,4 KB 
ID:	7399   Klicken Sie auf die Grafik für eine größere Ansicht 

Name:	LG13+Relais_1.jpg 
Hits:	341 
Größe:	86,0 KB 
ID:	7400  
    Gerrit Peters
    ______________________________

  5. #5
    Registriert seit
    11.12.2001
    Beiträge
    1.508
    Langsam, für die beiden angegegebenen Ursprungs-Typen stimmt die Richtung. Nur sind die Ersatztypen teilweise andersrum einzubauen, dafür gibts aber die Datenblätter mit den entsprechenden Pin-Belegungen (wobei ich das beim BC337 noch explizit dazuschreiben sollte)
    Wir haben hier eine gute Suchfunktion - es wäre schön, wenn sie auch benutzt würde...

  6. #6
    Registriert seit
    09.04.2002
    Beiträge
    1.658
    Hmm, ok, du magst recht haben. Ich habe mir nur die Datenblätter der Ersatztypen angesehen und bin davon ausgegangen, dass die baugleich sind...
    Gerrit Peters
    ______________________________

  7. #7
    Registriert seit
    22.12.2014
    Beiträge
    1
    Muss das Thema leider ausgraben:

    Hab ebenfalls das Relais nachgerüstet mit den oben genannten Bauteilen:

    BF245B: http://www.ortodoxism.ro/datasheets/...245A-B-C_2.pdf
    BC 337: http://www.ortodoxism.ro/datasheets/philips/BC337_3.pdf

    BC337 als T5 habe ich umgekehrt wie hier beschrieben (http://www.christian-roettinger.de/lg13_relais.shtml) eingesetzt.

    Aber:
    Das Relais zieht (klickt) jetzt an sobald die Ladestation ans Netz angeschlossen wird bereits an und nicht bei Alarmierung. Auch bei Betätigen des Tasters bleibt das Relais angezogen. An was kann das liegen?

  8. #8
    Registriert seit
    18.06.2006
    Beiträge
    1.728
    Wohl daran dass du Mist gebaut hast.

    Es gibt ca. 645 mögliche Erklärungen für diesen Fehler, diese reichen von einem kaputtgebratenem Transistor über unerkannte Lötzinnbrücken....

    Mach doch als allererstes mal ein Bild von beiden Seiten der Platine.

Aktive Benutzer

Aktive Benutzer

Aktive Benutzer in diesem Thema: 1 (Registrierte Benutzer: 0, Gäste: 1)

Berechtigungen

  • Neue Themen erstellen: Nein
  • Themen beantworten: Nein
  • Anhänge hochladen: Nein
  • Beiträge bearbeiten: Nein
  •