Ergebnis 1 bis 15 von 19

Thema: Problem Pageboy Alarm LED

Hybrid-Darstellung

Vorheriger Beitrag Vorheriger Beitrag   Nächster Beitrag Nächster Beitrag
  1. #1
    Registriert seit
    24.06.2007
    Beiträge
    477

    Problem Pageboy Alarm LED

    Hallo, habe ein Problem mit der ROTEN Alarm LED des Pageboy2.
    Das rote LED leuchtet dauernd und lässt sich nicht mehr Quittieren. Es leuchtet einfach weiter.

    Wo ist der Fehler?

  2. #2
    Registriert seit
    27.04.2004
    Beiträge
    1.257
    Reagiert der Melder sonst auf das Quittieren ?
    Also unterbricht die Durchsagen udn so weiter ?

    Ging die LED einfach so an oder nach einem Alarm und leuchtet seitdem ?

  3. #3
    Registriert seit
    21.12.2002
    Beiträge
    3.134
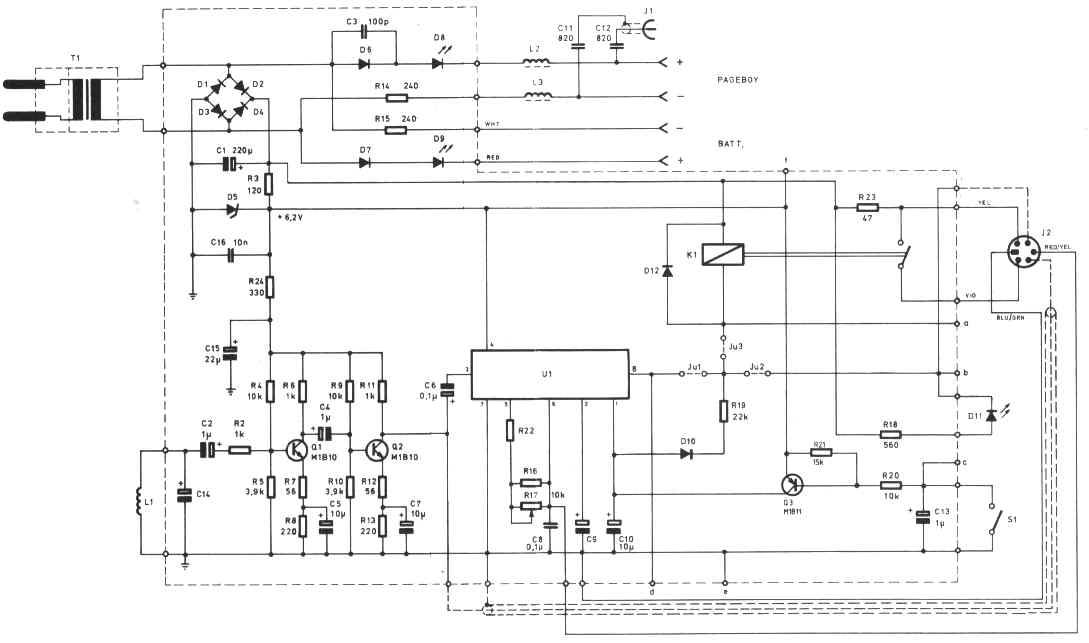
    Die Quittiertaste im LG hat keinen Einfluß auf den Pageboy. Im Gehäuse des LG sitzt eine große Luftspule, die das Magnetfeld des Lautsprechers empfängt und die Frequenz des Alarmtons auswertet. Das setzt dann ein FlipFlop und die rote LED leuchtet.

    MfG

    Frank
    Miniaturansichten angehängter Grafiken Miniaturansichten angehängter Grafiken Klicken Sie auf die Grafik für eine größere Ansicht 

Name:	boylade.jpg 
Hits:	884 
Größe:	46,9 KB 
ID:	6683  

  4. #4
    Registriert seit
    24.06.2007
    Beiträge
    477
    Was muss ich nun machen?
    Elektrotechnische Kentnisse sind vorhanden.

  5. #5
    Registriert seit
    27.04.2004
    Beiträge
    1.257
    Achso ja, ich hatte grad nen Denkfehler.

    Ich war drauf, dass der Pageboy auch einen Alarmled hat. Ich hab an die im Ldegerät gar nicht gedacht...

    Denkfehler....mal weider nich bei der sache :)

  6. #6
    Registriert seit
    21.12.2002
    Beiträge
    3.134
    Zitat Zitat von HAIXMAN
    Was muss ich nun machen?
    Fehlersuche?!

    Elektrotechnische Kentnisse sind vorhanden.
    Wirklich?

    U1 ist ein NE567
    http://www.x-robotics.com/downloads/...67_SE567_2.pdf

    Schaltplan ist vorhanden, grobe Funktionsbeschreibung auch. Also frisch ans Werk.


    Viel Spaß beim pfriemeln!

    Frank

  7. #7
    Registriert seit
    24.06.2007
    Beiträge
    477
    Am NE 567 wirds sicher ned liegen,

    Schätz mal, dass sich die Abgleichung vom Lagegerät zum FME verändert hat, bzw. die "Alarmerkennung" des LG neu abgeglichen werden muss.

  8. #8
    Registriert seit
    12.09.2003
    Beiträge
    66

    Problem Pageboy Alarm LED

    Hallo,

    ich würde mal den Abgleich des Ladegerätes an der DIN-Buchse mit einem Frequenzzähler prüfen, die beiden Pins weiß ich aus dem Kopf grad nicht, muss ich heute abend mal raussuchen. Der Sollwert liegt bei 1003 Hz und kann mit dem Trimmer im Ladegerät verändert werden.

    Gruß,
    Klaus

  9. #9
    Registriert seit
    12.10.2007
    Beiträge
    90
    wenn du die pins posten kannst wäre ich dir dankbar. habe hier einen frequenzzähler.

    allerdings ist das problem mit der roten LED bei mir dauerhaft wenn der stecker in der steckdose steckt!

    ob nun alarm im ladegerät oder nicht.

  10. #10
    Registriert seit
    21.12.2002
    Beiträge
    3.134
    Schau mal etwas weiter oben, da ist der Schaltplan:

    http://funkmeldesystem.de/foren/atta...3&d=1188210639

    Und dann der mittlere Pin in der Buchse.
    Ich empfehle auch mal einen Blick ins Datenblatt des NE567, da ist der "Trick" mit der Selbsthaltung als Applikation beschrieben.

    MfG

    Frank

  11. #11
    Registriert seit
    17.06.2006
    Beiträge
    565
    Servus und guten Abend,

    gehen wir doch mal davon aus das wir von dem Ladegerät GLN6441A sprechen.
    Nachdem ich nicht glaube (man bedenkt: Glauben heißt nichts wissen) das das PLL-IC (NE567) defekt ist.
    Der Abgleich hat mit der Fehlermeldung erstmals nichts zu tun, denn dann würde ja die LED nie leuchten.

    Auspacken der Glaskugel

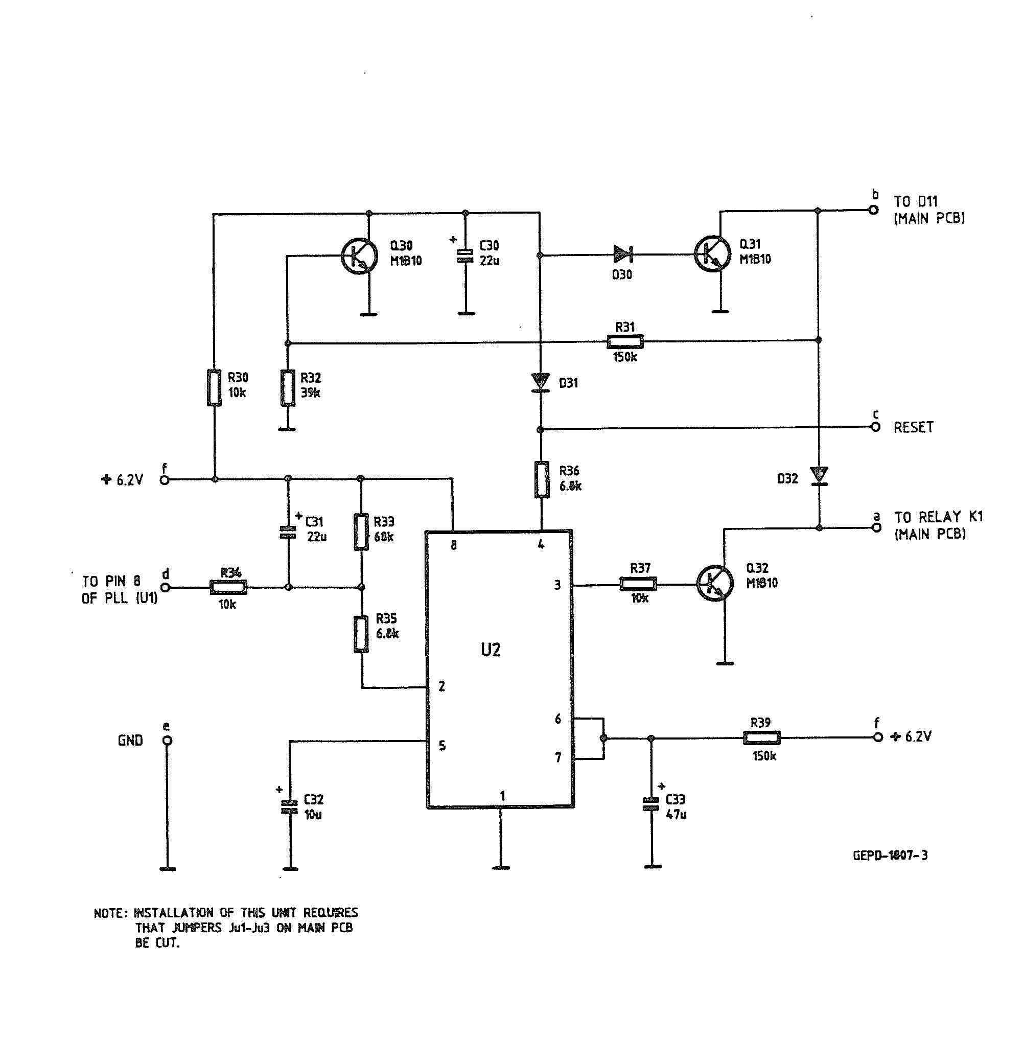
    Bei ausgeschalteter LED sollte Q30 leitend und damit Q31 im sperrenden Zustand sein.
    Nur leider reicht die Restspannung (UBE) aus um einen kleinen Basisstrom durch Q31 fließen zu lassen.
    Dieser bewirkt einen Kollektrostrom welches eine 2mA LED zum leuchten bringt.
    Dieser Effekt ist auch noch Temperaturabhängig. Ich baue zur Abhilfe zwischen Basis und Emitter von Q31 einen 33kOhm Widerstand ein.

    Glaskugel wieder abdecken.

    Wenn man doch nur mal ein paar Spannungswerte von U1 Pin 1 / 8 und der Annode von D30 hätte…

    Gute Nacht!
    cockpit

    Oh, noch ein Hinweis: U2 ist ein NE555 als FF geschaltet.
    Miniaturansichten angehängter Grafiken Miniaturansichten angehängter Grafiken Klicken Sie auf die Grafik für eine größere Ansicht 

Name:	Zwischenablage01.jpg 
Hits:	417 
Größe:	98,4 KB 
ID:	6937  

  12. #12
    Registriert seit
    21.12.2002
    Beiträge
    3.134
    Hier nochmal ein Auszug aus dem Datenblatt, in dem die Selbsthaltung und beide Reset-Varianten beschrieben sind.

    MfG

    Frank
    Miniaturansichten angehängter Grafiken Miniaturansichten angehängter Grafiken Klicken Sie auf die Grafik für eine größere Ansicht 

Name:	NE567.jpg 
Hits:	919 
Größe:	25,0 KB 
ID:	6939  

  13. #13
    Registriert seit
    12.10.2007
    Beiträge
    90
    ich werde morgen das ladegerät mal öffnen und schauen ob ich spannungen an den besagten stellen messen kann.

    werde diese hier dann posten

Aktive Benutzer

Aktive Benutzer

Aktive Benutzer in diesem Thema: 1 (Registrierte Benutzer: 0, Gäste: 1)

Berechtigungen

  • Neue Themen erstellen: Nein
  • Themen beantworten: Nein
  • Anhänge hochladen: Nein
  • Beiträge bearbeiten: Nein
  •