Seite 2 von 3 ErsteErste 123 LetzteLetzte
Ergebnis 16 bis 30 von 31

Thema: Firestorm I Anschluss an Ladeschale

  1. #16
    Registriert seit
    28.08.2003
    Beiträge
    620
    okay danke
    Krümel

    ___________________

  2. #17
    Registriert seit
    05.01.2004
    Beiträge
    757
    Das würde ich nicht tun...
    Damit verbindest du den Plus vom Melder mit der Masse vom Rechner. So ist es richtig:

    Mfg. friend112

    EDIT:

    Nur dein Masse natürlich nicht dahin, wo du sie gezeichnet hast, habe nur eingezeichnet, wo die Masse hingehört.

    Bei mir muste ich allerdings noch die Pins 4 und 5 von der übrigen Ladeelektronik trennen, damit es funktionierte. Über einen Umschalter habe ich allerdings die möglichkeit zur normalen Ladung erhalten.
    Miniaturansichten angehängter Grafiken Miniaturansichten angehängter Grafiken Klicken Sie auf die Grafik für eine größere Ansicht 

Name:	unbenannt-2.jpg 
Hits:	616 
Größe:	31,2 KB 
ID:	3000  
    Geändert von friend112 (23.10.2005 um 13:52 Uhr)
    Wer suchet, der findet!

  3. #18
    Registriert seit
    28.08.2003
    Beiträge
    620
    auf den lötpunkt da also die masse hin,ok. Also zum laden soll die Schale eh nicht mehr sein. Muss ich da noch irgndwo dann was trennen,wenn ja dann wo?
    Geändert von Krümel (23.10.2005 um 14:15 Uhr)
    Krümel

    ___________________

  4. #19
    Registriert seit
    28.08.2003
    Beiträge
    620
    hab jetzt so angeschlossn wie friend gesgat hat.

    also bin jetzt etwas weiter gekommen,wenn ich jetzt die software connectn lasse kommt immer vom pager der begrüssungstext und der wir dann so oft gesprochn bis ich wieder im retry für die kommunikation lande
    Krümel

    ___________________

  5. #20
    Registriert seit
    05.01.2004
    Beiträge
    757
    Haste den die Verbindungen der Pine 4 +5 getrennt?
    Die Pine sind ja auf beiden seiten angelötet. Von der einen Seite gehen Leiterbahnen weiter. Dort habe ich die Verbindung durchgeknipst. So dass die Pine nur noch auf einer Seite angelötet sein

    Mfg. friend112
    Geändert von friend112 (23.10.2005 um 20:57 Uhr)
    Wer suchet, der findet!

  6. #21
    Registriert seit
    28.08.2003
    Beiträge
    620
    Kannste mir das mal aufm Bild zeigen,was ich trennen muss und wo überhaupt Pin 4 und 5 liegen?
    Krümel

    ___________________

  7. #22
    Registriert seit
    28.08.2003
    Beiträge
    620
    So wie Harry112 mir gesgat hat sollte ich den Kondensator mit10kohm trennen, nur den find ich auf der Platine nicht. Ich brauch ne Zeichnung ;*(.
    Krümel

    ___________________

  8. #23
    Doc Gast
    Hallo Krümel,

    wo hast du den Programmer her?
    Hast du Ihn bei eBay ersteigert? Der funzt nämlich nicht für den Firestorm 1!

    Habe gerade selber den "Standart-Programmer" (HIN232/MAX232-Schaltung) nachgebaut, mit einigen Modifikationen.
    Bei mir läuft's von Anfang an.

    Grüße Doc

  9. #24
    Registriert seit
    11.09.2005
    Beiträge
    274
    Bei E-Bay gibt es auch funktionstüchtige Programmer!!!
    Habe meinen selbst daher.
    hallo i bims 1 DME

  10. #25
    Registriert seit
    28.08.2003
    Beiträge
    620
    ja ich glaub der ist von ebay, hat diese schwarze plastik Box dran mit nem USB Anschluss, nem comport anschluss,dann zwei kabel mit sonem 5 pol din stecker. Abe riegntlich sollte der funzen ist ne Anleitung für den F1 dabei.

    BTW: Wenn das jetzt nicht klappen sollte kannste mir so einen bauen DOc?
    Krümel

    ___________________

  11. #26
    Doc Gast
    Hallo Krümel,

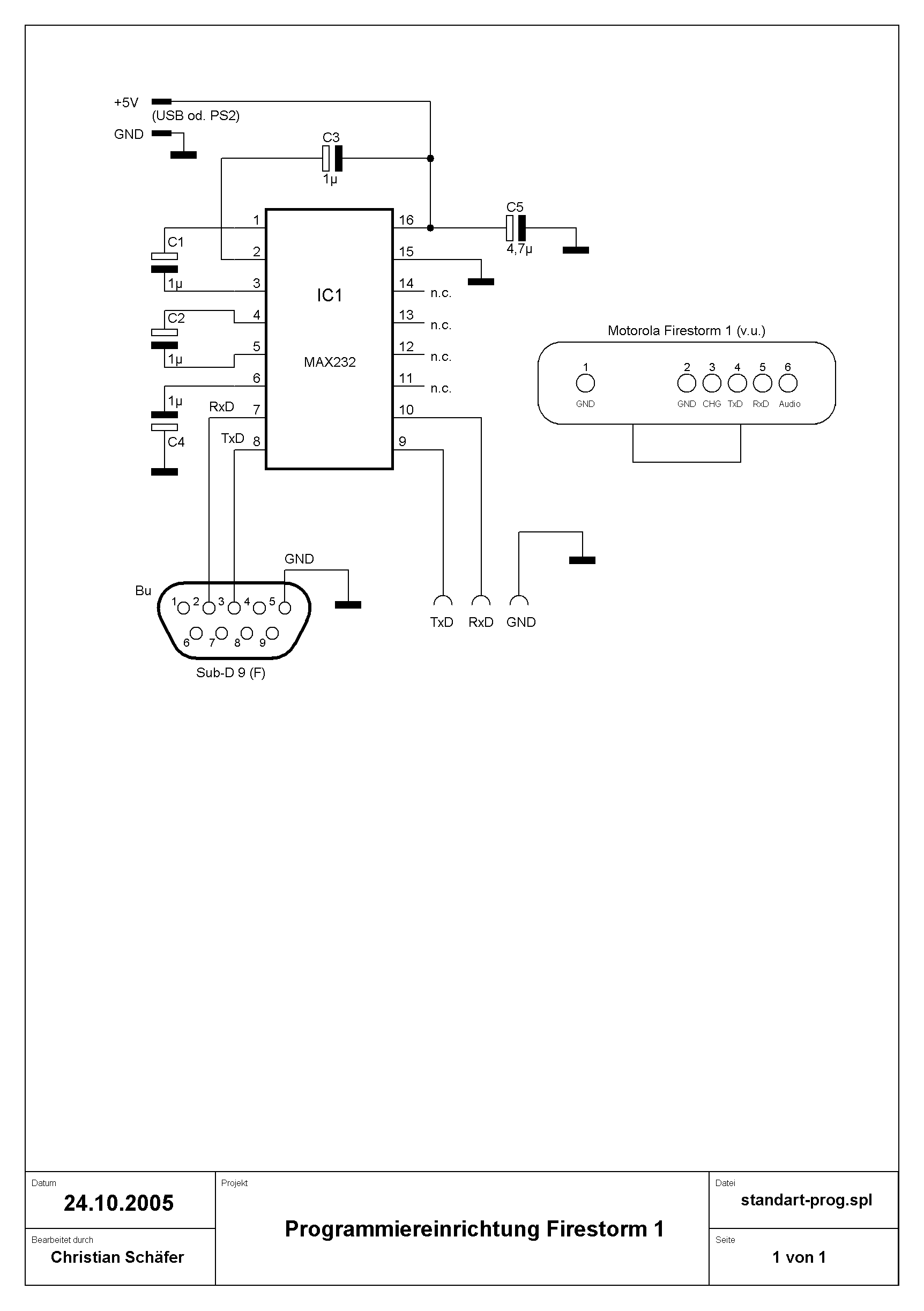
    sorry, baue grundsätzlich nur für den eigenbedarf!
    Habe aber mal meinen Schaltplan angehängt!
    Alle Bauteile bekommt man bei Conrad!

    Grüße
    Doc
    Miniaturansichten angehängter Grafiken Miniaturansichten angehängter Grafiken Klicken Sie auf die Grafik für eine größere Ansicht 

Name:	firestorm-plan.gif 
Hits:	650 
Größe:	33,6 KB 
ID:	3004  

  12. #27
    Registriert seit
    28.08.2003
    Beiträge
    620
    jo ok,aber hab ja nur die station mit den 4pins,kann dann zwar keine audio files programmieren,aber es sollte auch so gehen,nur die Programmierung.
    Krümel

    ___________________

  13. #28
    Doc Gast
    Ich habe auch nur die 4-Pin Ladestation.
    An der Soundprogrammierung arbeite ich gerade.
    Außerdem scheiterts noch an der richtigen Soundkarte.

    MfG
    Doc

  14. #29
    Registriert seit
    28.08.2003
    Beiträge
    620
    also irgdnwie klappt das bei mir immer noch nicht. Habe jetzt alles richtig gelötet die sachen an den Rechner angeschlossen,dann hab ich die Software auf den rechner drauf gemacht, die läuft auch, hab die Com Ports überprüft, die stehen unterm System auch als betriebsbereit, was gibts denn sonst noch? Was muss ich denn sonst noch beachten?
    Krümel

    ___________________

  15. #30
    Registriert seit
    05.01.2004
    Beiträge
    757
    Hallo nochmal,

    1. hast du denn jetzt die restliche Ladeelektronik getrennt?

    2. Hast du es mal mit einem anderen Melder probiert? Ich hatte auch schon einmal einen Melder, bei dem eine Diode kaputt war, wodurch das von dir beschriebene Verhalten auftrat.

    Wenn du die Ladseelektronik noch nicht getrennt hast, dann poste mal ein Bild von der Oberseite der Platine, dann Zeichne ich dir darin die Stellen ein.

    Mfg. friend112
    Wer suchet, der findet!

Aktive Benutzer

Aktive Benutzer

Aktive Benutzer in diesem Thema: 1 (Registrierte Benutzer: 0, Gäste: 1)

Berechtigungen

  • Neue Themen erstellen: Nein
  • Themen beantworten: Nein
  • Anhänge hochladen: Nein
  • Beiträge bearbeiten: Nein
  •