Hallo Daniel,
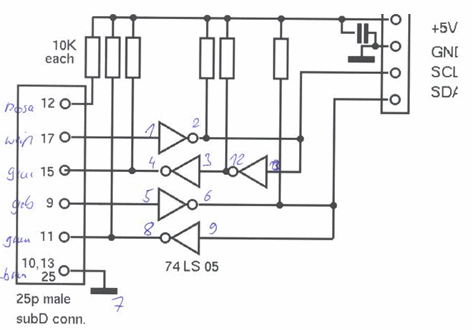
ich habe mich mal daran gemacht, den Schaltplan zu zeichnen, komme aber nicht weiter, da ich an einigen Stellen nicht erkennen kann, wie die Lötaugen verbunden sind, bzw. wie die durchkontaktierten Leiterbahnen verlaufen, insbesondere unter dem IC.
Ich brauche mehr Detailfotos bzw. Angaben zu einzelnen Verbindungen.:
-D3
-R6
-R5
-R3
Die beste Variante wäre natürlich ein kleines Päckchen mit der Platine. Käme dann nach 2 Tagen wieder zurück.
MfG
Frank




Zitieren