Seite 2 von 4 ErsteErste 1234 LetzteLetzte
Ergebnis 16 bis 30 von 99

Thema: EuroBOS Pager Programmierung

Hybrid-Darstellung

Vorheriger Beitrag Vorheriger Beitrag   Nächster Beitrag Nächster Beitrag
  1. #1
    jcmerg Gast
    Hallo,


    ich denke das bei der Programmierung die Sprache nicht auf "German" gestellt wurde, sondern noch auf englisch steht.

  2. #2
    Registriert seit
    03.01.2002
    Beiträge
    1.339
    ja das ist es auch. der melder wurde unprogrammiert mir zugeschickt. hat denn schon jemand was wegen der programmierung rausgefunden?

  3. #3
    jcmerg Gast
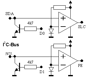
    Ich versuche mal ein Interface zu bauen,

    nur mit der Software haperts noch,

    die Software die ich habe ist nicht 100 % die für den AL-A25


    Zu dem Bauplan:

    Die Schaltung läßt sich einfach auf einer Lochrasterplatine mit Standardbauteilen aufbauen und im Gehäuse des Parallelport-Steckers unterbringen. Im Musteraufbau wurde ein LM324N, zwei BC549 und zwei 1N4148 sowie vier 4,7 kOhm Widerstände verwendet. Für die Erzeugung der Referenzspannung wäre sicherlich nur eine Diode und ein Widerstand ausreichend. Die positive Versorgungsspannung wird an den Pins 123456789 abgegriffen.

    wenn alles soweit aufgebaut ist versuch ichs mal mit der Software die ich habe
    Miniaturansichten angehängter Grafiken Miniaturansichten angehängter Grafiken Klicken Sie auf die Grafik für eine größere Ansicht 

Name:	i2c_plan.gif 
Hits:	1190 
Größe:	3,0 KB 
ID:	1547  
    Geändert von jcmerg (28.06.2004 um 13:34 Uhr)

  4. #4
    Registriert seit
    09.04.2002
    Beiträge
    44
    Hallo,

    Original geschrieben von jcmerg
    nur mit der Software haperts noch,

    die Software die ich habe ist nicht 100 % die für den AL-A25
    Auf www.apollowireless.com unter support kann man die software für den AL-A25 (Apollo Gold) downloaden.

    Ich bin gespannt ob es mit die Schaltung klappt!

    MfG,
    Robert.

  5. #5
    Registriert seit
    03.04.2003
    Beiträge
    88
    Original geschrieben von feuerwehrnotruf112
    also bei mir ist das ganze menu in englisch. auch die ö ü und ä´s werden nicht angezeigt. genau so wenig wie ß. woran kann das liegen?

    gruß carsten
    Bei Logo Font und Prompt Language Type muß German stehen beim Programmieren und dann ist es ok.
    gruß René

  6. #6
    Registriert seit
    03.01.2002
    Beiträge
    1.339
    nach dem installieren der soft kommt dann aber immer direkt: the board is not responding! liegt das daran, das kein melder beim starten der software angeschlossen ist?

  7. #7
    Registriert seit
    09.04.2002
    Beiträge
    44
    Hallo,

    Original geschrieben von feuerwehrnotruf112
    nach dem installieren der soft kommt dann aber immer direkt: the board is not responding! liegt das daran, das kein melder beim starten der software angeschlossen ist?
    Hasst du nach der Installation den Rechner neu gestartet? Bei mir war das die Lösung.

    MfG,
    Robert.

  8. #8
    Registriert seit
    03.01.2002
    Beiträge
    1.339
    ja hab ich neu gestartet und das nun schon mehrmals

  9. #9
    Registriert seit
    03.04.2003
    Beiträge
    88
    laut Programmieranleitung muß die ProgrammierStation angeschlossen sein, der Melder braucht nicht drin sein.

  10. #10
    Registriert seit
    09.04.2002
    Beiträge
    44
    Hallo,

    Hmm, bei mir hat es so geklappt. Aber jetzt funktioniert es auch nicht mehr, ausser die Software für den 924, die lauft.

    Vielleicht eine möglichkeit mit eine Brücke am LPT-port?

    Ich habe 2 AF-924 pager die arbeiten mit das FLEX Protokoll und möchtte Sie auch neu programmieren.


    MfG,
    Robert.

  11. #11
    Registriert seit
    03.04.2003
    Beiträge
    88
    Noch mal eine Frage zum Antennen-Symbol. Funktioniert bei euch der Reichweiten-Alarm?
    Gruß René

  12. #12
    fab Gast

    ric

    was bedeuten die vier ziffern hinter den ric´s? (z.b aaaa)

  13. #13
    Registriert seit
    11.09.2003
    Beiträge
    460

  14. #14
    Registriert seit
    28.05.2003
    Beiträge
    752
    Hat jemand ein Interface nun mal getestet?
    Genauer Bauplan?

    MFG Johannes

  15. #15
    Registriert seit
    05.06.2004
    Beiträge
    453
    Hat jemand eine Liste mit den Sachen die Programmiert werden können? Ich mein in Allen Einzelheiten.
    Wie ist das mit der Heimnetzkennung? Muß da extra eine Ric dafür benutzt werden oder reicht es wenn er alle paar Minuten irgendeine Ric empfängt?

Aktive Benutzer

Aktive Benutzer

Aktive Benutzer in diesem Thema: 1 (Registrierte Benutzer: 0, Gäste: 1)

Berechtigungen

  • Neue Themen erstellen: Nein
  • Themen beantworten: Nein
  • Anhänge hochladen: Nein
  • Beiträge bearbeiten: Nein
  •