Ergebnis 1 bis 8 von 8

Thema: ABEG Funkkoffer

  1. #1
    Registriert seit
    07.09.2014
    Beiträge
    6

    ABEG Funkkoffer

    Hallo,

    habe gerade einen Abeg-Funkkoffer auf dem Tisch mit defekten Netzteil.
    Hat jemand einen Schaltplan von dem Netzteil? Bei meinen wurden leider schon Bauteile entfernt.

    Gruß,
    Tobias

  2. #2
    Registriert seit
    10.12.2001
    Beiträge
    543
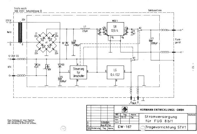
    schau mal ob das passt....

    Gruß,
    Martin
    Miniaturansichten angehängter Grafiken Miniaturansichten angehängter Grafiken Klicken Sie auf die Grafik für eine größere Ansicht 

Name:	ABEG Netzteil.jpg 
Hits:	318 
Größe:	58,5 KB 
ID:	16898  

  3. #3
    Registriert seit
    07.09.2014
    Beiträge
    6
    Hallo Martin,

    sieht sehr gut aus.
    Hast du noch genauere Pläne vom 12V Regler und dem Ladeteil?
    Anbei ein Bild von dem Netzteil.

    Gruß,
    Tobias
    Miniaturansichten angehängter Grafiken Miniaturansichten angehängter Grafiken Klicken Sie auf die Grafik für eine größere Ansicht 

Name:	K1600_DSCF3371.JPG 
Hits:	330 
Größe:	182,0 KB 
ID:	16899  

  4. #4
    Registriert seit
    12.09.2003
    Beiträge
    64

    ABEG Funkkoffer

    Hallo,

    lass mich raten, das eingebaute FuG funktioniert nur noch mit 12 V Spannungsversorgung und ohne Akkubetrieb. 220 V AC sowie 24 V DC geht nicht.

    Zu > 90% liegt die Fehlerursache im Wandler (das ist die große, schwarze Blechbüchse). Unreparabel. Das defekte IC (MC33063AP1) ist seit > 10 Jahren nicht mehr lieferbar.

    Gruß Klaus

  5. #5
    Registriert seit
    10.12.2001
    Beiträge
    543
    Hallo!
    zu der "Blackbox" ist in den Unterlagen zu der Tragevorrichtung nichts drinnen...

    Sorry.

    Martin

  6. #6
    Registriert seit
    07.09.2014
    Beiträge
    6
    Hallo,

    die vermutung von Klaus trifft zu.
    Hab den Kasten mal geöffnet und musste festellen das der komplett ausgegossen ist. Reparatur ist damit fast unmöglich.
    Danke für eure Hilfe.

    Gruß,
    Tobias

  7. #7
    Registriert seit
    25.01.2007
    Beiträge
    224
    Moin,

    du kannst ja mal schauen ob vom Platz her ein Meanwell AD-155A rein passt. Damit kannst du zumindest 230V- und Akkubetrieb, über einen Umschalter auch 12V-Betrieb machen.
    Das Teil habe ich aktuell im Dauereinsatz, läuft problemlos.

    Gruß,
    Phil
    Kameradschaft heißt, dass der Kamerad schafft....
    Beim Verlassen der Wohnung nach Alarm bitte Gehirn nicht vergessen!
    Denken, drücken, (warten), sprechen!

  8. #8
    Registriert seit
    21.12.2002
    Beiträge
    3.128
    Zitat Zitat von Blaulicht Klaus Beitrag anzeigen
    Das defekte IC (MC33063AP1) ist seit > 10 Jahren nicht mehr lieferbar.
    http://www.reichelt.de/ICs-M-MN/MC-3...636&OFFSET=16&

    HTH

    Frank
    Kontaktaufnahme bitte per Mail. Danke!

Aktive Benutzer

Aktive Benutzer

Aktive Benutzer in diesem Thema: 1 (Registrierte Benutzer: 0, Gäste: 1)

Berechtigungen

  • Neue Themen erstellen: Nein
  • Themen beantworten: Nein
  • Anhänge hochladen: Nein
  • Beiträge bearbeiten: Nein
  •