Hallo bmnpls,
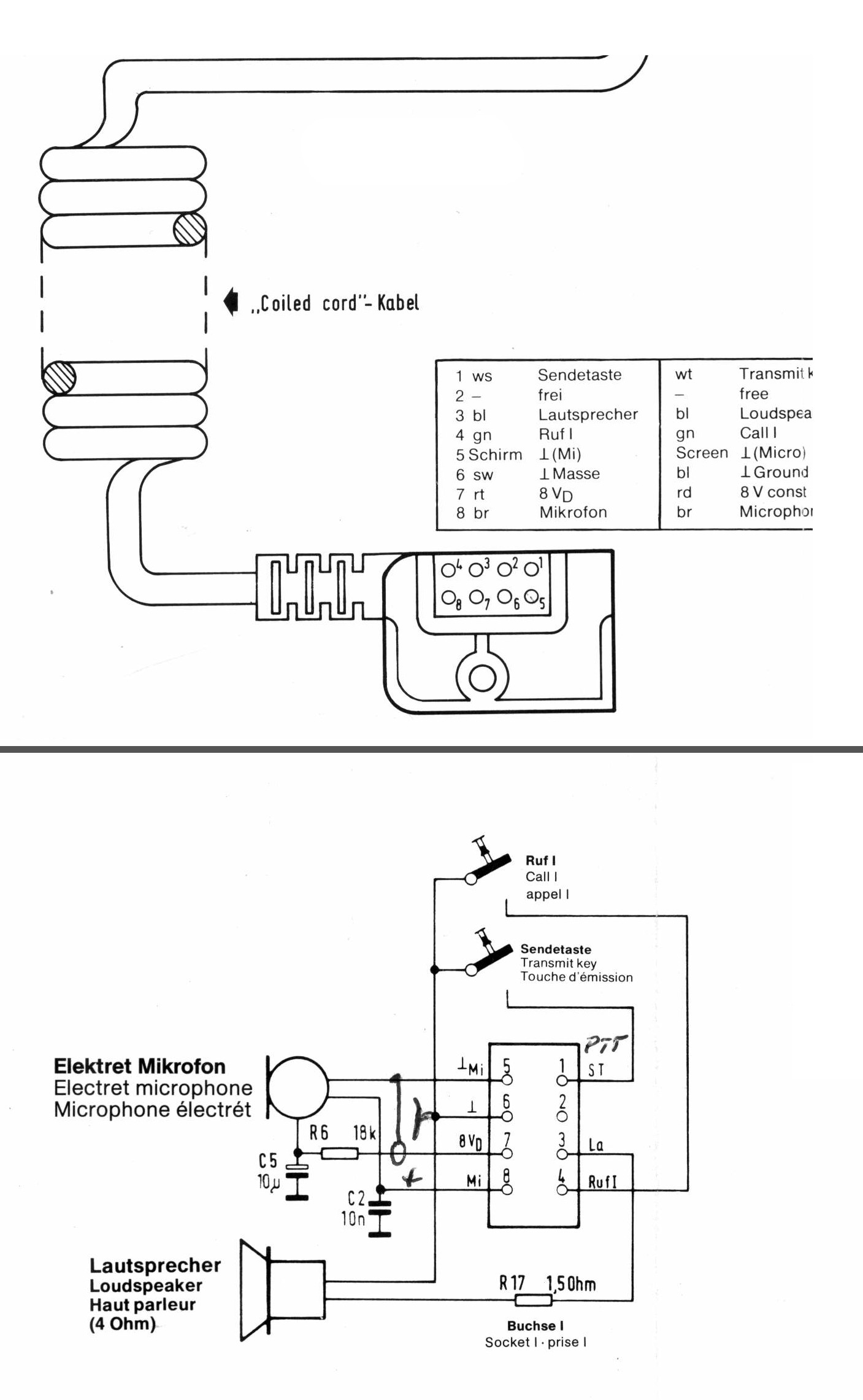
anbei der Pinbelegungsplan...
Das Lautstärkenpoti befindet sich direkt am BTM und ist gleichzeitig Ein- und Ausschalter. Was willst du da "IM" Gerät anschließen? Das BTM wird auf das KF gesteckt und der ML1 auf das BTM.
Eine Kundendienstschrift zum BTM-Professional habe ich leider nicht.
Hoffe ich konnte Dir helfen.




Zitieren