Hallo zusammen,
ich habe ein kleines Problem mit unserer ELA.
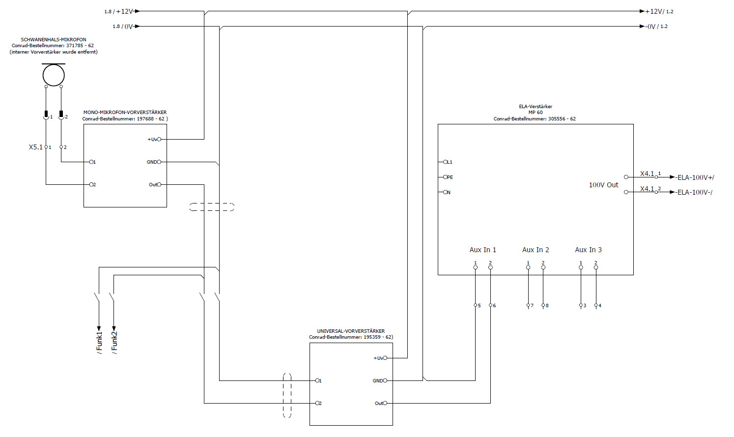
Sobald ein Mikrofon angeschlossen ist, ist ein leises Brummen zu hören.
Ein Plan der Schaltung ist im Anhang.
Zu der Schaltung:
Der Mikrofon-Vorverstärker liefert mir ca. 5 mV. Dieses Signal geht auf verschiedene Funkgeräte und die ELA. Vor der ELA habe ich nun noch einen Universal-Vorverstärker eingebaut, um das Signal auf 300mV zu bekommen.
Ich habe nun noch diverse NF-Trenner von Reichelt Elektronik. Bin mir aber nicht richtig sicher wo ich diese am sinnvollsten einbauen soll (Zwischen den Vorverstärkern oder direkt vor dem ELA Eingang?).
Was müsste ich den hinsichtlich EMV am besten tun? (Verstärker & NF-Trenner in Gehäuse packen?)
Chris




Zitieren
