Moin Moin!
Ich habe ein paar Fragen bezüglich dem betreiben zweier Scanner mit einer Soundkarte. Das man mit dem Crusader zwei verschiedene Signale auswerten kann ist mir schon bekannt. Das es auch mit einem Kabel funktionieren soll, hab ich auch schon gehört. Allerdings weiß ich nicht so recht, wie man das umsetzen soll.
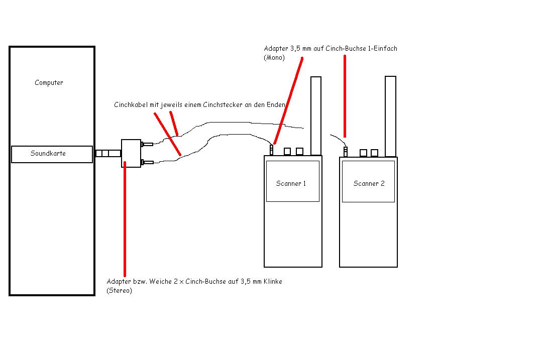
Für mich sieht das immer so aus - ein Kabel = ein Signal - Wie soll der Crusader denn zwei verschiedene Signale mit einem Kabel empfangen??? Hierzu bitte einmal eine Benutzerfreundliche Erklärung *g*
Mit Sicherheit wird mir hier erklärt, dass ich dafür ein Kabel löten muss. Das habe ich schon in den ganzen anderen Threads gelesen die ich so gefunden habe. Nur was machen denn so Löt-Muffel wie ich? Gibt es so eine Kabelvariante auch im Handel? Oder gibt es sogar eine Anleitung die auch ich als Löt- und Kleinelektronikmuffel verstehe? Auch hierzu bitte eine Benutzerfreundliche Erklärung *g*
Am besten wäre es doch mal ein Kurs für "wie brat ich mir mein eigenes Cursaderkabel" *lol*
Ich bin noch nicht so ganz davon überzeugt, dass der Crusader auf einem Soundkarteneingang zwei Signale auswerten kann. Wie soll denn zum Bsp. der Crusader die 5-Tonfolge von Scanner A und den FMS-Status von Scanner B aus einem Kabel auswerten? Ich lese immer was von zwei Kanälen. Aber wenn ich ein Kabel in die Soundkarte stecke, ist das doch quasi ein Kanal oder nicht? Fragen über Fragen... :-)


Zitieren
