Liebe BOS-Gemeinde,
für unseren ELW suche ich 1 Hamcom-Modem. Hat jemand von euch noch so ein Exemplar, oder weiß, wo ich so etwas bekomme?
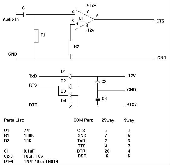
Es gab mal einen Bauplan, den kann ich allerdings auch nicht mehr finden... Hat den noch irgendwer? Dann würde ich unseren Elektriker mal drauf ansetzen...
Liebe Grüße
Sebastian :-)




Zitieren
