Ergebnis 1 bis 8 von 8

Thema: Frage an die HF-Spezialisten

Baum-Darstellung

Vorheriger Beitrag Vorheriger Beitrag   Nächster Beitrag Nächster Beitrag
  1. #1
    Registriert seit
    21.12.2002
    Beiträge
    3.134

    Frage an die HF-Spezialisten

    Hallo allerseits,


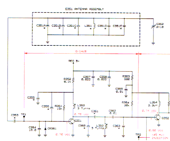
    ich muß einen stationären DME (siehe "Ein Alarmdrucker...") an eine Zusatzantenne anschließen, da der Empfang in der Fahrzeughalle nicht gut genug für eine zuverlässige Funktion ist.

    Anbei mal ein Auszug aus dem Schaltplan des Empfängers.
    Eigentlich wollte ich C353 entfernen und das Antennensignal über einen Kondensator an TP1 einspeisen.
    Nun würde ich aber gerne wissen, ob es einen Vorteile hätte, den abgestimmten Antennenkreis beizubehalten und die Zusatzantenne zwischen Ferritantenne (C351A) und C353 anzuschließen. Wenn ja, direkt, oder über einen Koppelkondensator?


    Vielen Dank im Voraus

    Frank
    Miniaturansichten angehängter Grafiken Miniaturansichten angehängter Grafiken Klicken Sie auf die Grafik für eine größere Ansicht 

Name:	Receiver.png 
Hits:	205 
Größe:	19,2 KB 
ID:	8434  
    Kontaktaufnahme bitte per Mail. Danke!

Aktive Benutzer

Aktive Benutzer

Aktive Benutzer in diesem Thema: 1 (Registrierte Benutzer: 0, Gäste: 1)

Berechtigungen

  • Neue Themen erstellen: Nein
  • Themen beantworten: Nein
  • Anhänge hochladen: Nein
  • Beiträge bearbeiten: Nein
  •