Ergebnis 1 bis 15 von 27

Thema: Schaltplan vom Bedienteil Fug 8b Bosch

Hybrid-Darstellung

Vorheriger Beitrag Vorheriger Beitrag   Nächster Beitrag Nächster Beitrag
  1. #1
    Registriert seit
    18.03.2008
    Beiträge
    37

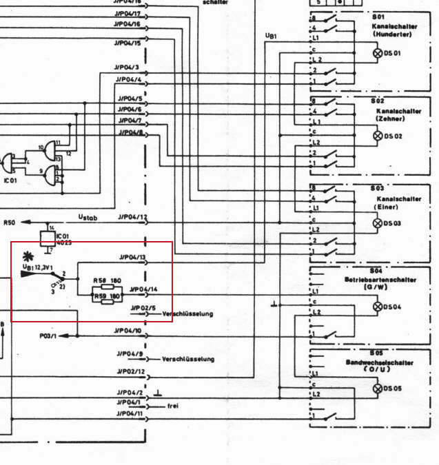
    Schaltbilt Bedinteil fug 8b

    suche ein schaltbilder vom bedinteil fug 8b bosch da wehre mir geholfen

  2. #2
    Registriert seit
    18.03.2008
    Beiträge
    37
    Suche ein schalt
    bild für den fug 8b Bedienelement
    Welches ist mir egal

    Hab schon was gefunden das sind aber nur die Kanaltasten
    Wie die verdrahtet brauchte aber das ganze
    Miniaturansichten angehängter Grafiken Miniaturansichten angehängter Grafiken Klicken Sie auf die Grafik für eine größere Ansicht 

Name:	bg1.jpg 
Hits:	2444 
Größe:	64,2 KB 
ID:	7931  
    Angehängte Grafiken Angehängte Grafiken  
    Geändert von Andre.o (24.03.2008 um 22:34 Uhr)

  3. #3
    Christian Gast
    Zitat Zitat von Andre.o Beitrag anzeigen
    Suche ein schalt
    bild für den fug 8b Bedienelement
    Welches ist mir egal

    Hab schon was gefunden das sind aber nur die Kanaltasten
    Wie die verdrahtet brauchte aber das ganze

    Hallo,

    du müsstest schon sagen für welches Gerät Du den Plan brauchst !
    Soll es für ein BOSCH sein ? Für das abgebildete ? Oder für die SEL-Variante ?
    Oder die neue Variante mit LCD Display ?

  4. #4
    Registriert seit
    18.03.2008
    Beiträge
    37
    bosch das alte

  5. #5
    Registriert seit
    18.03.2008
    Beiträge
    37

    Schaltplan vom Bedienteil Fug 8b Bosch

    Schaltplan vom Bedienteil Fug 8b Bosch

    Hab bis jetzt nur ein stück darfon gefunden
    Kann mir da jemand helfen?
    Das ist egal welches Bedienteil am besten
    ein altes wie auf das Foto zu sehen ist.

    danke schon mal
    Angehängte Grafiken Angehängte Grafiken  

  6. #6
    Registriert seit
    09.04.2002
    Beiträge
    1.658
    Darf man mal fragen, was du damit vorhast???
    Gerrit Peters
    ______________________________

  7. #7
    Registriert seit
    18.03.2008
    Beiträge
    37
    wolte das one bedinteil auf ein festen kannal setzen für unser gerättehaus
    die anschlus belegung habe ich aber komme nicht mit der kanalumschaltung
    klar

  8. #8
    Registriert seit
    16.04.2006
    Beiträge
    793
    Hallo,

    Wenn ich das richtig verstehe, möchtest du einen festen Kanal einstellen und die Kanalwahl blockieren, um ein umschalten zu verhindern!?

    Edit: So, nun hab ich mir den Satz noch mal durchgelesen... Willst du das Gerät ohne Bedienteil betreiben?

    Und was machst du, wenn mal kurzfristig ein anderer Kanal geschaltet werden muss?

    Und das übliche Sätzchen nebenbei: Das Funkgerät verliert bei Änderungen seine Zulassung.
    Gruß
    Sebbel2

    Sebastiand(..)funkmeldesystem.de

    __________________________________________________ _______
    „Wenn es mehrere Möglichkeiten gibt, eine Aufgabe zu erledigen, und eine davon in einer Katastrophe endet oder sonstwie unerwünschte Konsequenzen nach sich zieht, dann wird es jemand genau so machen.“ (Murphy)

  9. #9
    Registriert seit
    18.03.2008
    Beiträge
    37
    kann mir nicht irgendeiner den schalt plan vom bedienter schicken...
    das ist doch nicht schwer oder !!! Kommt an Mann bitte

Aktive Benutzer

Aktive Benutzer

Aktive Benutzer in diesem Thema: 1 (Registrierte Benutzer: 0, Gäste: 1)

Berechtigungen

  • Neue Themen erstellen: Nein
  • Themen beantworten: Nein
  • Anhänge hochladen: Nein
  • Beiträge bearbeiten: Nein
  •