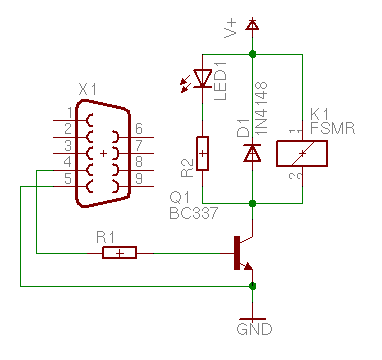
Hallo, habe hier im Forum (http://funkmeldesystem.de/foren/show...t=bos+tool)mal einen Schaltung gefunden (siehe Anhang)
Jedoch funktioniert die Schaltung bei mir nicht.
Die LED leuchtet zwar. aber das Relais zieht nicht an.
Habe auch schon mit einem Multimeter die Spannung gemessen:
ERGEBNISS der Transistor schaltet nicht ganz durch! er hat immer noch 8V zw. Collector und Emitter.




Zitieren