Hallo,
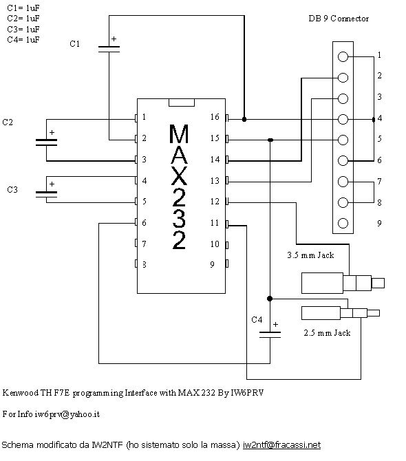
nen Kamerad hatmich gefragt, ob man das Kabel für das Kenwood TH-F7E selber löten kann. Jetzt wollt ich fragen, ob einer nen genauen Schaltplan hat. In der Bedienungsanleitung steht irgendwas von wegen Pegelkonverter! Ich setze bei Gelegenheit hier noch den Ausschnitt aus der Bedienungsanleitung rein. Aber vielleicht kann mir ja auch jemand schon ohne diesen Ausschnitt helfen.
Vielen Dank im Vorraus!!!
Daniel





Zitieren