Ergebnis 1 bis 15 von 624

Thema: SMD's / LED's "Feuerwehr im Einsatz" Hinweisschild für Kfz mit 12V Anschluss

Hybrid-Darstellung

Vorheriger Beitrag Vorheriger Beitrag   Nächster Beitrag Nächster Beitrag
  1. #1
    Registriert seit
    15.05.2006
    Beiträge
    109
    Zitat Zitat von HAIXMAN Beitrag anzeigen
    Das ist doch auch eine Alternative?
    http://cgi.ebay.de/LED-Laufschrift-f...QQcmdZViewItem
    Es geht hier hauptsächlich ums Basteln und den Spass daran...

  2. #2
    Registriert seit
    25.09.2007
    Beiträge
    220
    Das ist richtig, obwohl mich das Teil interessiert...

    -- Habs mal bestellt --
    Wenns da ist, werde ich über die Funktion berichten.
    Rächdschraibrefoam?

  3. #3
    Registriert seit
    29.03.2006
    Beiträge
    5.311
    Sodele, Zwischenbericht *g*

    Auch wenn mir noch die Preise für die LED's fehlen (leider, mal den Lieferanten auf die Füße treten die Tage...), sind wir bei einem Prognosepreis um die 45 Euronen bei 25 Stück (inklusive Versand versteht sich)

    1. Wollen wir doch mal hoffen, dass es noch mehr werden... das der Preis unter 40 Euro sinkt.

    2. @Haixfuzzie: da die Frage eh gleich kommt... NEIN !!! Es geht hier lediglich um die "FEUERWEHR-EINSATZ" Version... Alle andere bekommste natürlich auch zu dem Preis, wenn du dann aber 25 Stück holst... Sprich: rund 1000€ und für dich mach ich da sogar Vorkasse ;)

    MfG Fabsi

    P.S.: Ich bitte um Nachsicht, dass musste mal gesagt werden :)

  4. #4
    Registriert seit
    17.06.2006
    Beiträge
    565
    Zitat Zitat von friendofafriend Beitrag anzeigen
    Es geht hier hauptsächlich ums Basteln und den Spass daran...
    Servus,

    na dann strengt euch mal an. :)
    Viel Spaß beim basteln!

    http://www.pearl.de/pearl.jsp?screenX=1280&screenY=1024

    Bestell Nr. PE-2339-097

    Gruß
    cockpit

  5. #5
    Registriert seit
    29.03.2006
    Beiträge
    5.311
    Den Gedanken hatte auch schon jemand anders (SoSi-Forum)... Allerdings bekommst du da nicht den Schriftzug "FEUERWEHR" so hin, das er steht... weils zu klein ist...

    MfG Fabsi

    P.S.: Die nächst Größeren Versionen gehen zwar teilweise, allerdings ist dann das Problem, dass es wieder teuerer ist... (ab 70€ +Versand)...

  6. #6
    Registriert seit
    24.06.2007
    Beiträge
    477
    Zitat Zitat von cockpit Beitrag anzeigen
    Servus,

    na dann strengt euch mal an. :)
    Viel Spaß beim basteln!

    http://www.pearl.de/pearl.jsp?screenX=1280&screenY=1024

    Bestell Nr. PE-2339-097

    Gruß
    cockpit
    Naja für 25€ sicherlich eine SEHR gute Alternative!
    Vorallem mit Gehäuse,Funktionen,... und zu dem Preis!
    Da kommt nichts ran!

  7. #7
    Registriert seit
    29.03.2006
    Beiträge
    5.311
    Zitat Zitat von HAIXMAN Beitrag anzeigen
    Da kommt nichts ran!
    Und schon wieder nicht nachgedacht... Das Schild hat nur 37 LEDs nebenbeinander...

    und 45 brauchst du schon für den Schriftzug "FEUERWEHR" so anzeigen zu lassen, dass er nicht durchläuft ^^

    MfG Fabsi

    P.S.: Aber kaufs dir und berichte hier dann, dass es doch nicht funktioniert... ^^

  8. #8
    Registriert seit
    24.06.2007
    Beiträge
    477
    Das war mir klar, dass der erste Einwand von DIR kommt!

    DENK Mal! Vielleicht ne nummer größer?
    ich stell dir mal ein paar links rein mit solchen LED ANZEIGEN!!!
    Sind alle super Qualität und mit Gehäuse, ectl sogar Fernbedienung zw. 25 und 45€!

  9. #9
    Registriert seit
    29.03.2006
    Beiträge
    5.311
    Zitat Zitat von HAIXMAN Beitrag anzeigen
    Das war mir klar, dass der erste Einwand von DIR kommt!
    Natürlich kommt der von mir... bin ja auch der erste der die LEDs zählt ^^

    Nehmen wir wieder Pollin: da kostet eine Leuchtschrift, die das kann OHNE Versand gleich mal 69,irgendwas... hatte schon vor Tagen geguckt ;)

    WENN DU eine Laufschrift findest, die den passenden Schriftzug anzeigen kann und das noch Günstiger als die Sammelbestellung... DANN BITTE Hier rein posten ^^

    Dann muss ich mir nicht die Arbeit mit der Sammelbestellung machen ;)

    MfG Fabsi

  10. #10
    Registriert seit
    24.06.2007
    Beiträge
    477
    So, mein ist jetzt auch fertig! PREIS: 25€
    Funktion:
    Notfall in Spiegelschrift blinkt:
    NOTFALL ca. 1s
    PAUSE ca. 0,5s


    Bei nächten mal werde ich aber ein paar Sachen anders machen:
    1.
    Hab auch die LED's in gelb von Knightbright benutzt(Abstrahlwinkel 30°) Werde LED's mit einem größeren Abstrahlwinkel nehmen(mind. 40°)
    2.
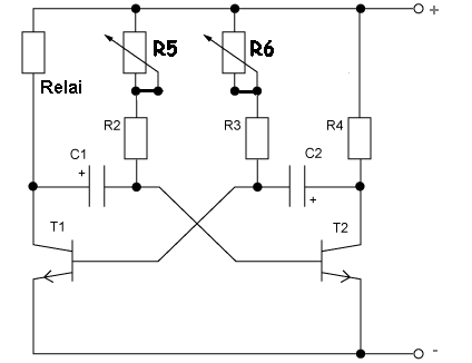
    Das Relais ist doch relativ laut, dafür muss eine andere Lösung her!
    3.
    Baue noch blaue HOCHLEISTUNGS LEDS ein! Blink Blink
    4.
    Desweiteres würde ich diese Schaltung benutzen:
    (ist ein bisschen abgeändert -> Blinkintervalle und Pausezeiten sind UNABHÄNGIG voneinander einstellbar)


    mfg
    Miniaturansichten angehängter Grafiken Miniaturansichten angehängter Grafiken Klicken Sie auf die Grafik für eine größere Ansicht 

Name:	100_0279.JPG 
Hits:	611 
Größe:	85,6 KB 
ID:	7136   Klicken Sie auf die Grafik für eine größere Ansicht 

Name:	led-wechselblinker - Zeit!.gif 
Hits:	419 
Größe:	5,8 KB 
ID:	7139  
    Geändert von HAIXMAN (18.11.2007 um 11:43 Uhr)

  11. #11
    Registriert seit
    24.06.2007
    Beiträge
    477
    Zitat Zitat von Fabpicard Beitrag anzeigen
    WENN DU eine Laufschrift findest, die den passenden Schriftzug anzeigen kann und das noch Günstiger als die Sammelbestellung... DANN BITTE Hier rein posten ^^


    MfG Fabsi
    HIER:
    http://cgi.ebay.de/LED-Laufschrift-f...QQcmdZViewItem

    12 Volt LED Scrolling Message System:
    - groß: ca. 430x100x70 mm
    - programmierbar über Fernbedienung (2x AAA Batterien inklusive)
    - IR-Sensor auf der Rückseite des Gerätes, daher Textumschalten während der Fahrt möglich
    - Nachrichten aus Buchstaben (groß und klein), Nummern, Sonderzeichen
    - 10 frei programmierbare Speicherplätze für Nachrichten. Je Speicherplatz 80 Zeichen, jedoch maximal 470 Zeichen.
    - 99 Vorgegebene Nachrichten (Sprüche für Auto, Laden, Büro, Wörter und Allgemeine Sprüche)
    - Bis zu 16 Nachrichten können zu einem Ablauf kombiniert werden
    - Spiegelschrift Modus
    - Scrollgeschwindigkeit und Helligkeit einstellbar
    - leicht zu installieren, keine Schrauben notwendig (Klebefuß)
    - 4 Meter langes Kabel mit Zigarettenanzünderanschluß (kann auch direkt ans 12 Volt Netz angeschlossen werden


    PERFEKT!!!!!
    mit Fernbedienung,....
    Miniaturansichten angehängter Grafiken Miniaturansichten angehängter Grafiken Klicken Sie auf die Grafik für eine größere Ansicht 

Name:	au1.jpg 
Hits:	439 
Größe:	50,5 KB 
ID:	7138  

Aktive Benutzer

Aktive Benutzer

Aktive Benutzer in diesem Thema: 1 (Registrierte Benutzer: 0, Gäste: 1)

Berechtigungen

  • Neue Themen erstellen: Nein
  • Themen beantworten: Nein
  • Anhänge hochladen: Nein
  • Beiträge bearbeiten: Nein
  •