Hallo,
hat jemand die Technische Dokumentation oder Serviceunterlagen für die Bosch Kfz-Halterungen? (Wäre ja was für den schicken neuen Download-Bereich!)
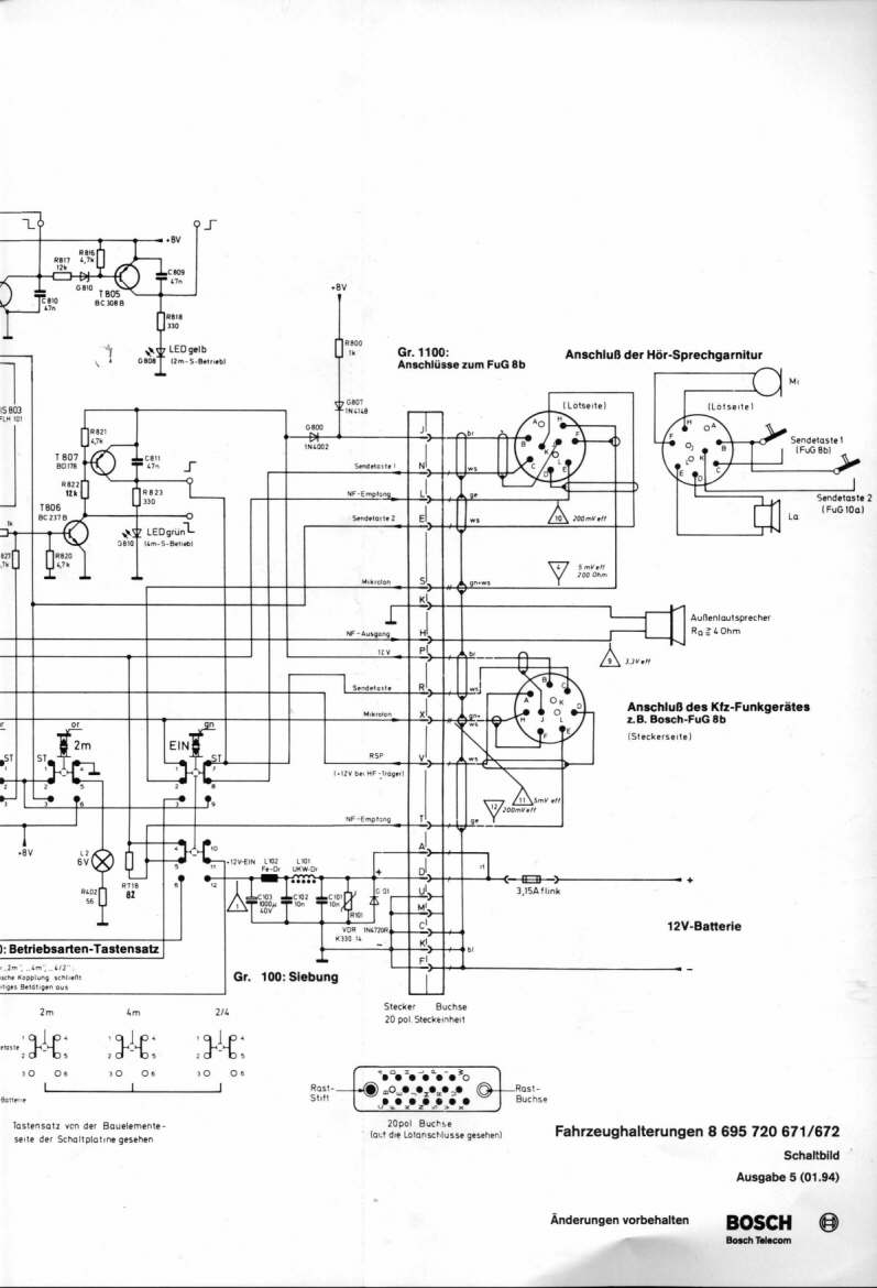
Ich möchte eine Bosch FuG 13a (Typ Battanz. links) in der Kfz-Halterung, aktiv Typ 8 695 721 671 beitreiben. (Also die für nur ein Handfunkgerät.)
Am Einbau Teil findet sich eine 12 Polige Tuchselbuchse wie am FuG selbst.
1.) Hat hier jemand eine Grafik mit den Kontaktbezeichungen an dem Tuchselstecker den ich habe kann man leider nicht mehr die Konktaktbezeichnungen erkennen.
2.) Sind die Kontakte am Einbauteil gleich belegt, wie die am FuG? Also
A Mikrofon-Lautsprecher
B Ausgang NF-Verstärker
C Pluspol Akku
D Plus vor Einschalter
E Tonruf I ( gegen J )
F Mikrofon-Lautsprecher
G Eingang Mikrofonvorverstärker Imp. <= 200 Ohm
H Tonruf II ( gegen J )
J Masse
K Sendetaste ( gegen J )
L Masse
M Masse
Brücken in Blindstecker A-B, C-D, F-G
3.) Braucht man hier dann auch die Brücken, oder kann ich hier einfach an die J-K meine Sprechtaste anschließen und an A mein Mikrofon?
Vielen Dank im Voraus.
Gruss
Kalli




Zitieren
