Ergebnis 1 bis 8 von 8

Thema: Beleuchtung BG SEL, Schaltplan, FUG 8b

Hybrid-Darstellung

Vorheriger Beitrag Vorheriger Beitrag   Nächster Beitrag Nächster Beitrag
  1. #1
    Registriert seit
    18.04.2005
    Beiträge
    154

    Beleuchtung BG SEL, Schaltplan, FUG 8b

    Hallo!

    An einem SEL Bediengerät 218-12 von einem SEL FUG 8b funktionier die Kanalbeleuchtung nicht.

    Hat jemand einen Schaltplan von diesem Bediengerät oder einen anderen Hinweis.

    Danke!

  2. #2
    Registriert seit
    10.12.2001
    Beiträge
    543
    Hallo!
    Die Lämpchen von der Kanalanzeige sind alle in Reihe geschaltet. Wenn eine durchgebrannt ist, geht auch der Rest nicht mehr.
    Anbei mal ein Schaltbild der Kanalschalter...

    MFG
    Martin
    Miniaturansichten angehängter Grafiken Miniaturansichten angehängter Grafiken Klicken Sie auf die Grafik für eine größere Ansicht 

Name:	bg.jpg 
Hits:	606 
Größe:	41,4 KB 
ID:	3134  

  3. #3
    Registriert seit
    18.04.2005
    Beiträge
    154
    Danke für die Info und den Schaltplan, ich habe das BG aufgeschraubt, die Lämpchen muß ich erst noch durchmessen.

    Auf der hinteren Leiterplatte habe ich eine Beschriftung "Beleuchtung" gefunden, weiter stehen dort Zahlen und "ein" und "aus".

    2 Bilder der Leiterplatt sind beigefügt (von vorn und hinten).

    Weiterhin habe ich festgestellt, dass an dieser Stelle zwei Widerstände (?) total braun gefärbt (zu heiß geworden ???) sind.

    Kann man die Beleuchtung mit Lötbrücken Ein. bzw. Aus-Schalten?

    Hat jemand die Werte für die Widerstände?
    Miniaturansichten angehängter Grafiken Miniaturansichten angehängter Grafiken Klicken Sie auf die Grafik für eine größere Ansicht 

Name:	sel_bg_218_a.jpg 
Hits:	356 
Größe:	39,6 KB 
ID:	3135  

  4. #4
    Registriert seit
    18.04.2005
    Beiträge
    154
    Das zweite Bild.

    Tobias
    Miniaturansichten angehängter Grafiken Miniaturansichten angehängter Grafiken Klicken Sie auf die Grafik für eine größere Ansicht 

Name:	sel_bg_218_b.jpg 
Hits:	311 
Größe:	59,3 KB 
ID:	3136  

  5. #5
    Registriert seit
    10.12.2001
    Beiträge
    543
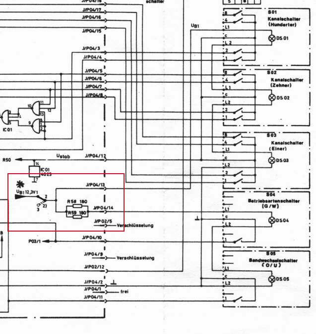
    Hallo!
    Ja, die Beleuchtung kann ein/aus geschaltet werden. Jetzt ist sie ein.
    Die Wiederstände haben lt. Schaltplan 180 Ohm.
    Miniaturansichten angehängter Grafiken Miniaturansichten angehängter Grafiken Klicken Sie auf die Grafik für eine größere Ansicht 

Name:	bg1.jpg 
Hits:	692 
Größe:	64,2 KB 
ID:	3138  
    Geändert von Martin (26.11.2005 um 12:07 Uhr)

  6. #6
    Registriert seit
    18.04.2005
    Beiträge
    154
    Guten Tag an Alle!

    Danke für die bisher geleistete Hilfe

    habe die Beleuchtungslampen (LÄMPCHEN) durchgemessen, zwei Stück sind defekt.

    Welche Daten haben die Lampen? Spannung, Leistung?


    So wie ich vermute wird es diese Lämpchen nicht mehr geben, hat jemand schon einmal eine solche Reparatur durchgeführt?, evtl. Umbau auf LED?

    Danke!
    Tobias

  7. #7
    Registriert seit
    10.12.2001
    Beiträge
    543
    Hallo!
    Technische Daten zu den Lämpechen habe ich leider nicht. Es gab scheinbar nur den Kompletten Kanalschalter als Ersatzteil.

    Lt. Schaltplan liegen da an den 3 Lämpchen 12,3 Volt an.
    Bei 3 Lampen sind das 4,10 Volt je Lampe.



    MFG
    Martin

  8. #8
    Registriert seit
    18.04.2005
    Beiträge
    154
    Also haben die 3 Kanalschalter und die beiden anderen (Band und Betriebsschalter) nichts miteinander zu tun?
    --------------------------------------------------------
    Tobias

    ...und möge die Kraft mit Euch sein *g*

Aktive Benutzer

Aktive Benutzer

Aktive Benutzer in diesem Thema: 1 (Registrierte Benutzer: 0, Gäste: 1)

Berechtigungen

  • Neue Themen erstellen: Nein
  • Themen beantworten: Nein
  • Anhänge hochladen: Nein
  • Beiträge bearbeiten: Nein
  •