Original geschrieben von Kerni
Beim Jedi-Kabel braucht mal zusätzlich eine RIB. Das Kabel muss so aussehen:
Viel Spaß beim Basteln!
stimmt nicht ganz!
laut www.frontblitzer.biz , ist bei diesem kabel keine rib mehr notwendig
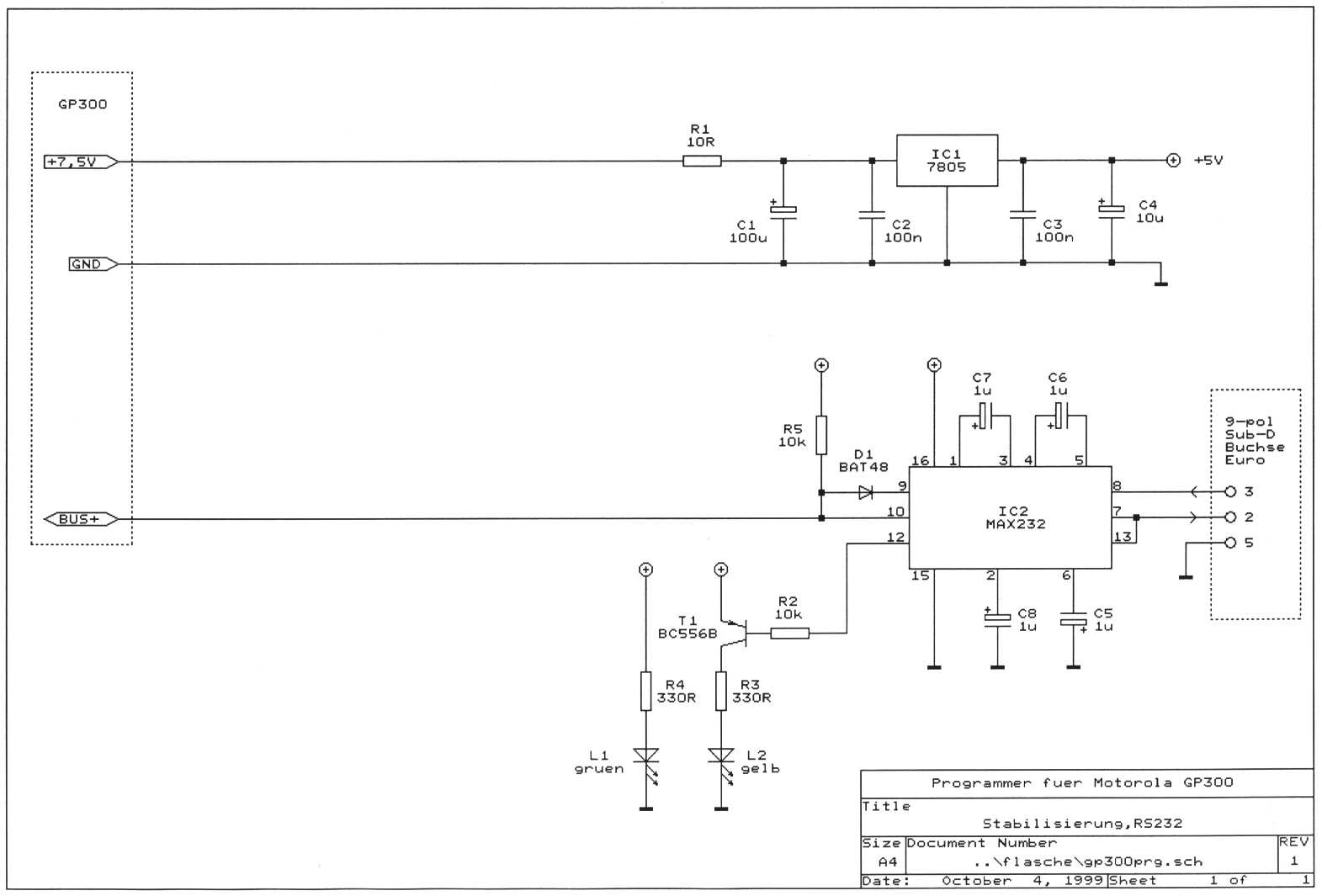
diesen Schaltplan würde ich brauchen!




Zitieren