Hallo ich hätte da mal eine kleine Frage,
was müsste ich alles verändern um mit meinem Boschladegerät einen Lautsprecher ausgang einbauen zu können.
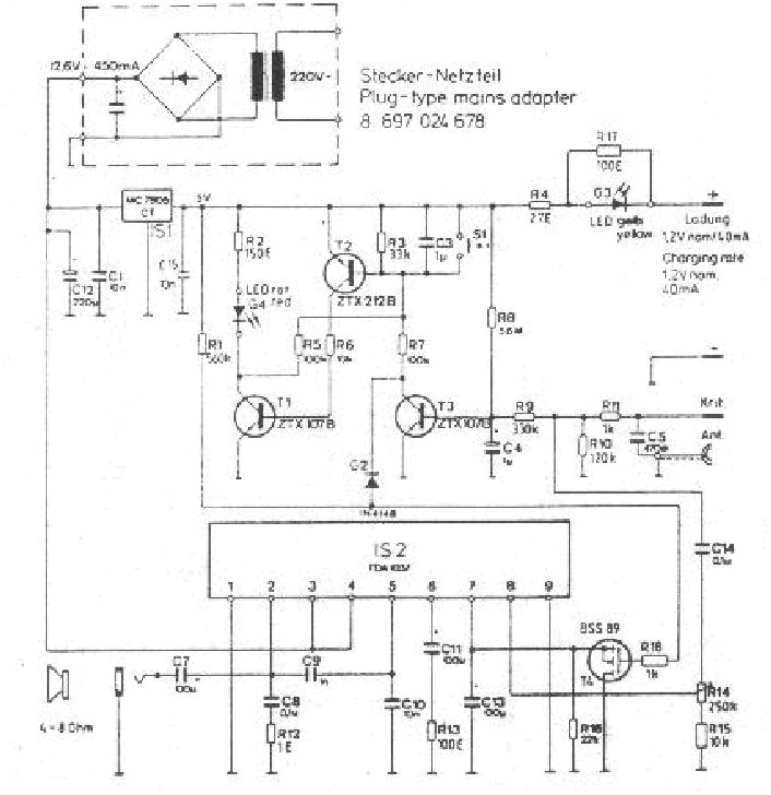
Möchte gerne über die Ladeschale BOS Control benutzen allerdings darf ich keine veränderungen am Melder selbst vornehmen da er der Feuerwehr gehört.
Besitze allerdings ein zweites ldegerät mit Relai Ausgang das ich zum Umbau verwenden könnte
Schon einmal im Vorraus vielen Dank




Zitieren