Hallo TIM
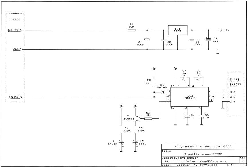
Meinst Du mit Nachbauschaltung für den LX2 etwa die Programmierschaltung GP300 von „Flasche“, die in älteren Postings in diesem Forum als LX2-Nachbau veröffentlicht wurde (siehe auch Anhang)? Ist diese Programmierschaltung somit auch für den LX2 plus geeignet?
Viele Grüße
Gerhard




Zitieren