Ergebnis 1 bis 3 von 3

Thema: Steckerbelegung diverse FuG 8

Hybrid-Darstellung

Vorheriger Beitrag Vorheriger Beitrag   Nächster Beitrag Nächster Beitrag
  1. #1
    moe24 Gast

    Steckerbelegung diverse FuG 8

    Hallo,

    wer kann mir weiterhelfen ? Suche die Steckerbelegung der 25poligen Buchse am S/E-Geräte diverser FuG. z.B.: BOSCH, AEG/Telefunken, Teletron, ASCOM, usw.

    Vielen Dank im Voraus !

    mfg
    moe24

  2. #2
    Registriert seit
    11.12.2001
    Beiträge
    1.161
    @moe24

    Hallo und Willkommen im Forum,

    ich möchte keinesfalls böse auftreten, aber bitte benutze die Suchfunktion hier im Forum, denn es wurden einige deiner Fragen zu den Belegungen schonmal beantwortet. Wie gesagt nicht böse gemeint. Aber das ist so etwas zeitaufwändig das alles wieder abzutippen ;-) Alles klar?

    Mit freundlichen Grüßen

    AndreasP
    Nachrichtentechnik Erich Rinne
    Oppermann-Telekom
    Joachim´s BOS-Tool
    Einsatzfahrzeuge auf Einsatzfahrt

    Spende für mich im FW-Manager

    Fachlich gebildete Personen könnten fachliche Stellungsnahmen zu meinen
    posting machen.

  3. #3
    Registriert seit
    10.12.2001
    Beiträge
    543
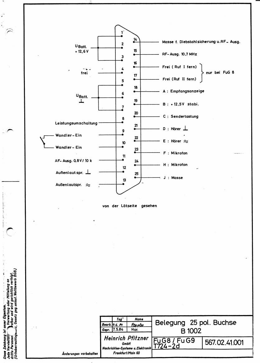
    Hallo!
    Hier mal die Belegung aus den Service Unterlgen vom Ascom
    FUG 8b-1
    FUG 8b-2
    FUG 8c

    Die Belegung vom AEG FUG8 gibts hier:
    http://www.funkmeldesystem.de/foren/...bosch+belegung

    und vom Bosch:
    http://www.funkmeldesystem.de/foren/...&threadid=7098

    MFG
    Martin
    Miniaturansichten angehängter Grafiken Miniaturansichten angehängter Grafiken Klicken Sie auf die Grafik für eine größere Ansicht 

Name:	ascom.jpg 
Hits:	6760 
Größe:	64,7 KB 
ID:	710  
    Geändert von Martin (18.07.2003 um 15:27 Uhr)

Aktive Benutzer

Aktive Benutzer

Aktive Benutzer in diesem Thema: 1 (Registrierte Benutzer: 0, Gäste: 1)

Berechtigungen

  • Neue Themen erstellen: Nein
  • Themen beantworten: Nein
  • Anhänge hochladen: Nein
  • Beiträge bearbeiten: Nein
  •