Hallo Forum!
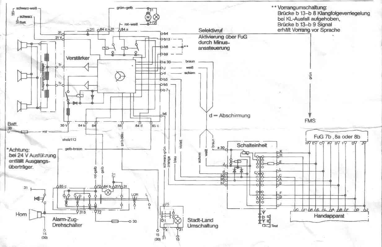
Ich möchte gerne eine gebrauchte RTK3 auf unsern GW montieren. Kabelsatz ist dabei aber kein Anschlussplan. Gibt es sowas im Netz?
Kann man die RTK3 ans FuG anschliessen zwecks Durchsage/Funk oder geht das erst ab RTK4?
Danke!
Viele Grüsse
ZickZack




Zitieren
