Ergebnis 1 bis 7 von 7

Thema: Gehäuse 300x100x20 gesucht

  1. #1
    Registriert seit
    07.06.2011
    Beiträge
    180

    Gehäuse 300x100x20 gesucht

    Hallo, suche ein Gehäuse ähnlich dem ,

    http://www.funkhandel.com/Frontwarnsystem-LED-Blitzer

    wo bekomme ich solche Gehäuse her....!

    Auch stundenlanges Googeln brachte kein ergebnis...

    Mfg

  2. #2
    Registriert seit
    29.03.2006
    Beiträge
    5.311
    Von so ziemlich jedem Blechverarbeitenden Betrieb. Sieht zumindest stark nach gekantetem Blech welches vernietet wurde aus... und vorne dran ne Plexiglasscheibe

    MfG Fabsi

  3. #3
    Registriert seit
    07.06.2011
    Beiträge
    180
    Ja blech wäre ne alternative ist aber aus Kunststoff...

    FInde aber leider nichts vergleichbares ...

    Mfg

  4. #4
    Registriert seit
    18.06.2006
    Beiträge
    1.728
    Strangpressprofil, beide Seiten nen Deckel drauf, vorne Plexi reinschieben, fertig.
    Gibts fertig von Fa. Bopla.

    Zur Not haben die auch Kunststoff.

  5. #5
    Registriert seit
    20.06.2010
    Beiträge
    150
    Aluminium 4 Kant...in die Seitenteile oben und unten zwei Gewinde bohren und in den Deckel vorne und hinten auf gleiche höhe Löcher bohren und zusammen schrauben. Für den Plexiglasdeckel und die Rückwand, seitlich noch Gewinde bohren..Fertig

  6. #6
    Registriert seit
    20.06.2010
    Beiträge
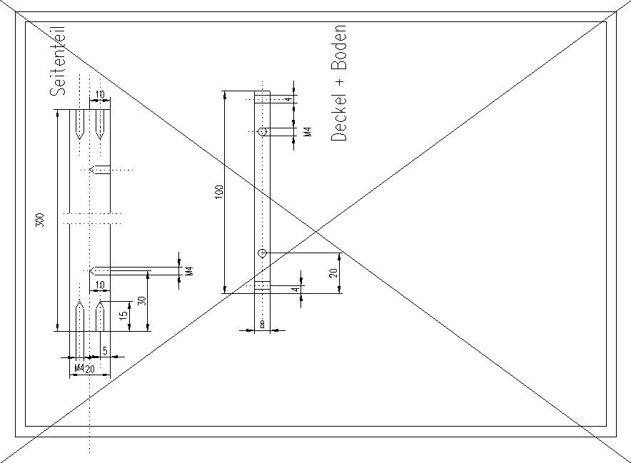
    150
    Hab das mal versucht im CAD zu zeichnen....
    Miniaturansichten angehängter Grafiken Miniaturansichten angehängter Grafiken Klicken Sie auf die Grafik für eine größere Ansicht 

Name:	Feuerwehr im Einsatz.bmp 
Hits:	129 
Größe:	71,0 KB 
ID:	14381  

  7. #7
    Registriert seit
    03.10.2004
    Beiträge
    207
    Bei dem Frontwarnsystem handelt es sich um 5mm starkes Kunststoffgehäuse bestehend aus 6 Einzelteilen welche miteinaner verschraubt werden 2mm Senkkopfschrauben Gegenseite mit Gewinde
    Zu Fuß is schneller als durch den Wald

Aktive Benutzer

Aktive Benutzer

Aktive Benutzer in diesem Thema: 1 (Registrierte Benutzer: 0, Gäste: 1)

Berechtigungen

  • Neue Themen erstellen: Nein
  • Themen beantworten: Nein
  • Anhänge hochladen: Nein
  • Beiträge bearbeiten: Nein
  •