Ergebnis 1 bis 13 von 13

Thema: steckerbelegung vom ladegerät LGRA 300 (quattro 96)

  1. #1
    tronix Gast

    steckerbelegung vom ladegerät LGRA 300 (quattro 96)

    hallo leute
    kann mir jemand die steckerbelegung vom 5pol-din stecker des q96-ladegerätes sagen? wäre wichtig!

    danke im vorraus
    tronix

  2. #2
    Registriert seit
    11.12.2001
    Beiträge
    1.508
    Ein Bild sagt mehr als tausend Worte...
    Miniaturansichten angehängter Grafiken Miniaturansichten angehängter Grafiken Klicken Sie auf die Grafik für eine größere Ansicht 

Name:	lg.jpg 
Hits:	2722 
Größe:	7,0 KB 
ID:	311  

  3. #3
    Registriert seit
    13.01.2007
    Beiträge
    362
    Guten Abend,

    sehe ich das jetzt richtig das zwischen Pin 1 und 3 "durchschaltet" wird? Da fliest kein Strom drauf ! ? ! ?
    Also könnte ich den Massepol einer 9V Block-Batterie durchschalten lassen?
    Zero-G
    MfG

    Zero-G

    _______________________________
    o*******This is Schäuble.
    L_/*****Copy Schäuble into your signature
    OL***** to help him on his way to Überwachungsstaat.

  4. #4
    Registriert seit
    24.03.2007
    Beiträge
    1.720
    Zitat Zitat von ZERO-G Beitrag anzeigen
    Guten Abend,

    sehe ich das jetzt richtig das zwischen Pin 1 und 3 "durchschaltet" wird? Da fliest kein Strom drauf ! ? ! ?
    Also könnte ich den Massepol einer 9V Block-Batterie durchschalten lassen?
    Zero-G
    JA!

    Gruß Andi

  5. #5
    Registriert seit
    13.01.2007
    Beiträge
    362
    Und wenn ich dann den Melder aus der Station nehme schaltet das Relais im LGRA wieder aus?
    Gibt es da eine Möglichkeit das irgendwie zu verzögern? So ca. 240 sek. ?
    Am liebsten extern da ich das LGRA nicht öffnen möchte.

    Nochwas.
    Wie ist die Bezeichnung von dem Stecker der an das Gerät ran kommt?


    Zero-G
    MfG

    Zero-G

    _______________________________
    o*******This is Schäuble.
    L_/*****Copy Schäuble into your signature
    OL***** to help him on his way to Überwachungsstaat.

  6. #6
    Registriert seit
    24.03.2007
    Beiträge
    1.720
    Zitat Zitat von ZERO-G Beitrag anzeigen
    Und wenn ich dann den Melder aus der Station nehme schaltet das Relais im LGRA wieder aus?
    Gibt es da eine Möglichkeit das irgendwie zu verzögern? So ca. 240 sek. ?
    Am liebsten extern da ich das LGRA nicht öffnen möchte.

    Nochwas.
    Wie ist die Bezeichnung von dem Stecker der an das Gerät ran kommt?


    Zero-G
    Da gibt es auch Möglichkeiten, aber was möchtest du den damit schalten?

    Ein Zeitrelais (abfall-verzögert) wäre da z.B eine Möglichkeit. (So habe ich es gemacht)

    Gruß Andi

  7. #7
    Registriert seit
    13.01.2007
    Beiträge
    362
    Ich mach dir morgen mal eine kleine Zeichnung. Habe jetzt gerade leider keine Zeit.
    Würde mich freuen wenn du mir da weiter helfen könntest.

    Zero
    MfG

    Zero-G

    _______________________________
    o*******This is Schäuble.
    L_/*****Copy Schäuble into your signature
    OL***** to help him on his way to Überwachungsstaat.

  8. #8
    Registriert seit
    24.03.2007
    Beiträge
    1.720
    Jo, kriegen wir alle bestimmt hin.

    Gruß Andi

    P.S: 5 pol. DIN Stecker

  9. #9
    Registriert seit
    13.01.2007
    Beiträge
    362
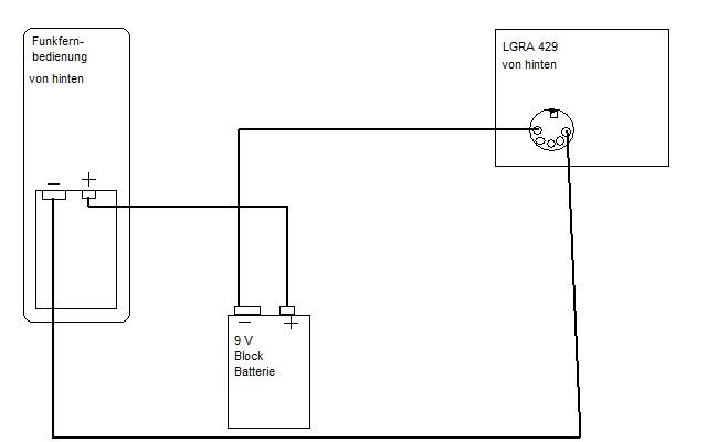
    Guten morgen,

    habe mich jetzt gerade mal ran gesetzt und eine kleine Zeichnung gemacht wie ich mir das vorstelle.

    Dazu sei noch gesagt:
    Den Taster "Master Ein" an der Funkfernbedienung werde ich dauerhaft schalten. Das sobald er Strom bekommt, alle Empfänger einschaltet.

    Das Problem mit dem Ausschalten hat sich ja eingendlich erledigt. Denn auch wenn der Stromkreis beim Öffnen des Relais unterbrochen ist, sind die Verbraucher ja trotzdem eingeschaltet. Oder gibt es da eine Möglichkeit diese nach ca. 4 Min. wieder auszuschalten?

    Ist das so wie ich es "gezeichnet" habe umsetzbar?

    Freue mich auf Antworten.



    PS: Bitte nicht Steinigen wegen der "Zeichnung" :-)
    Miniaturansichten angehängter Grafiken Miniaturansichten angehängter Grafiken Klicken Sie auf die Grafik für eine größere Ansicht 

Name:	LGRA.jpg 
Hits:	1762 
Größe:	16,9 KB 
ID:	9078  
    Geändert von ZERO-G (11.10.2008 um 10:05 Uhr)
    MfG

    Zero-G

    _______________________________
    o*******This is Schäuble.
    L_/*****Copy Schäuble into your signature
    OL***** to help him on his way to Überwachungsstaat.

  10. #10
    Registriert seit
    24.03.2007
    Beiträge
    1.720
    Das was du möchtest, sollte funktionieren. Problem könnte nur sein, bei meiner Funkfernbedienung schalten sich die Geräte immer wieder ein und aus, wenn ich den Einschaltknopf gedrückt halte. das solltes Du vorher bei deiner auch prüfen.

    Gruß Andi

  11. #11
    Registriert seit
    13.01.2007
    Beiträge
    362
    Danke für die schnelle Antwort.

    Das Problem wie du es hast, habe ich mit meiner Fernbedienung nicht.

    Vielen Dank für deine schnelle Hilfe. Habe mir gerade schon einen Stecker besorgt. Jetzt kann das Basteln losgehen.
    MfG

    Zero-G

    _______________________________
    o*******This is Schäuble.
    L_/*****Copy Schäuble into your signature
    OL***** to help him on his way to Überwachungsstaat.

  12. #12
    Registriert seit
    13.01.2007
    Beiträge
    362
    Nochmal kurz nachgefragt.
    Ist es möglich (so wie beim Firestorm) an der Ladestation einen "Alarm" auszulösen? Z.B. indem man 2 Kontakte miteinander verbindet?
    Möchte nur testen ob das Relais auch schließt. Die Schalteinrichtung sowie ich es oben versucht habe zu zeichnen funktioniert einwandfrei. Möchte jetzt nur noch gucken ob auch alles in Kombination so läuft wie ich mir das wünsch.
    MfG

    Zero-G

    _______________________________
    o*******This is Schäuble.
    L_/*****Copy Schäuble into your signature
    OL***** to help him on his way to Überwachungsstaat.

  13. #13
    Registriert seit
    17.12.2003
    Beiträge
    150
    versuche mal deinen melder leicht schräg in das ladegerät zu stecken. durch das leichte verkannten beim einstecken geht es. bei mir klappts mittlerweile auf anhieb :-)
    einfach ein paar mal probieren

    gruß grinch317

Aktive Benutzer

Aktive Benutzer

Aktive Benutzer in diesem Thema: 1 (Registrierte Benutzer: 0, Gäste: 1)

Berechtigungen

  • Neue Themen erstellen: Nein
  • Themen beantworten: Nein
  • Anhänge hochladen: Nein
  • Beiträge bearbeiten: Nein
  •