
Zitat von
wodoe
2 Belegungen ???
Ich kenne noch mehr.....
Telefunken (Telecar 100) 8b/8b-1 hat eine eigene -
Ascom Teletron hat wider was anderes
Bosch 8b Version KF 802 hat eine usw.
dann noch die Bediengeräte die machanisch auf das Bosch Gerät passen - aber nur mit Teletron Ascom Geräten per Verbindungskabel funktionieren (siehe RDN FMS BG)
lediglich SEL - Bosch (Z-Version) - Storno Fug 8b - Motorola 8b-1 sind gleich - bis auf die Sache, daß man keine BG 8b mit 8b1 oder umgekehrt tauschen kann.
Hallo Wolfgang,
da hast du sicher recht,das es trotz mechanisch gleicher Steckverbindung (37Pol SubD) hier zig verschiedene Möglichkeiten im BOS Bereich gibt...
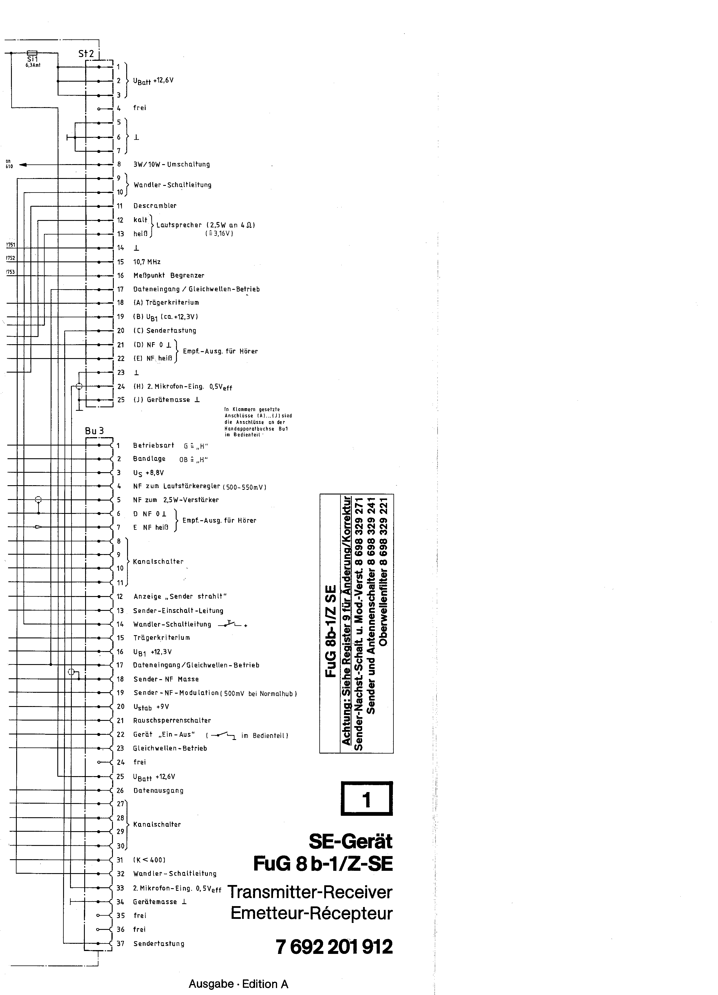
Da Christian aber nach BOSCH 8b1 gefragt hat, gibt es tatsächlich nur zwei...
(KF802 und FuG8b1z bzw. das Anschlussgleiche Nachfolgemodell)
@Christian
Wie schon von Wolfgang beschrieben problemlos möglich!
Kanalstellen, sowie Ein/Ausschalter und ggf.RSP Schalter entsprechend brücken.
Die Kanalstellen für 1er und 10er sind (bei allen älteren FuG´s) immer BCD Codiert,für die 100´er ist es je nach genauen Modell anders gelöst...
Die KF802 haben (glaube ich, nicht nachgesehen) hier nur eine Leitung für die Umschaltung 4 und die Umschaltung "alles was nicht 4 ist (3/5)"
Die 8b1z zählen hier binär von 0-2 ...
Die genaue Beschaltung incl. Wahrheitstabelle müsste ich aber dahaben...
Gruß
Carsten
***Wichtig***
Zur Zeit bitte mir keine Mails über die Mailfunktion des Forums schicken, da die hinterlegte Mailadresse zur Zeit spinnt. Mails kommen NICHT, oder mit TAGEN Verspätung an !!!
Ersatz: *MEINUSERNAME* @Yahoo.de