Hallo,
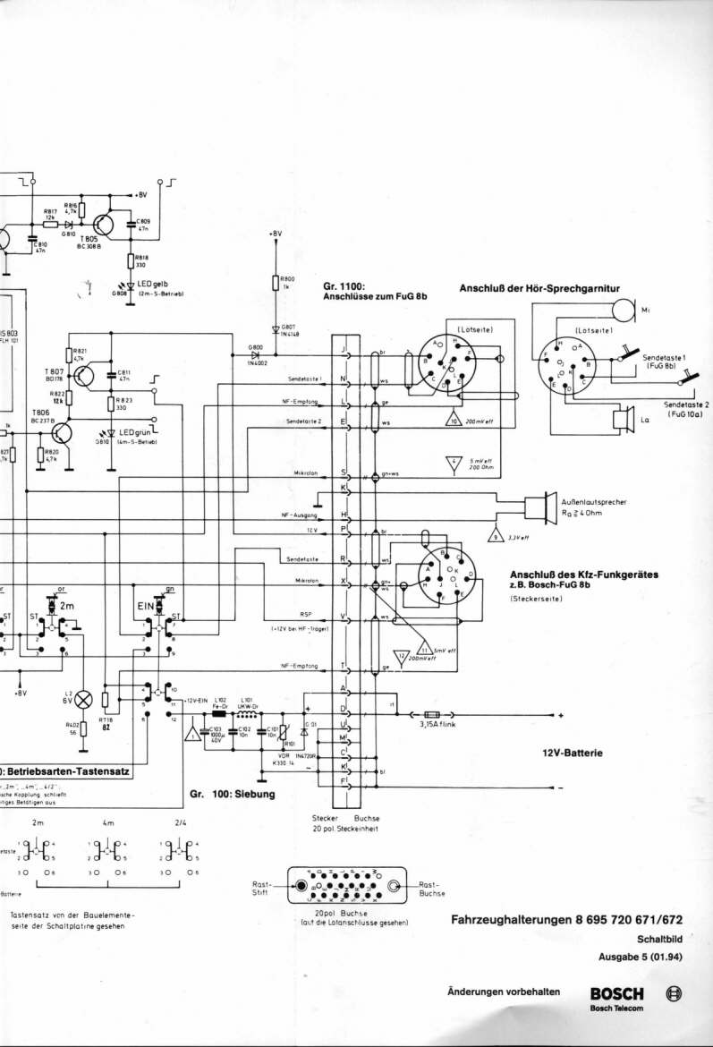
ich benötige mal die Pinbelegung für die KFZ-Halterung HFG\2, da bei der von uns gebraucht angeschafften leider keinerlei Dokumentation und auch keinerlei Kabelsatz o.ä. dabei war...
Da der Kabelsatz jedoch bei Oppermann 234 € kostet, würde uns die Pinbelegung schon genügen, unser KFZ-Elektronikermeister erledigt dann alles weitere...
Danke im voraus für Eure Mühe,
Gruß
Walmsburger




Zitieren