Hallo,
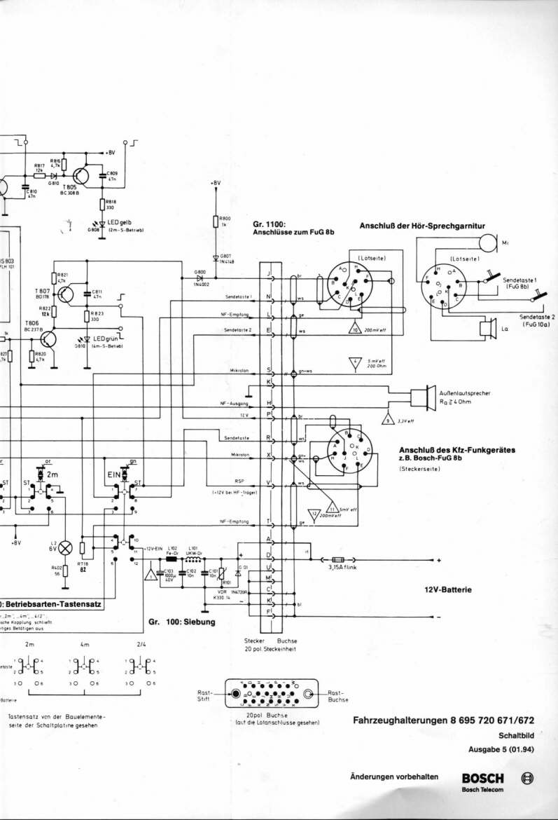
ich suche die Pinbelegung des 20 Poligen Stecker an der KFZ Ladehalterung für Bosch FuG 10.
Auf der KFZ Halterung stehen folgende Daten:
HFG/1
8 695 720 671
062 0010
Über die Suchfunktion konnte ich leider nichts finden.
Danke im vorraus
Gruß
Baer




Zitieren