Moin,
habe aktuell das schon viel diskutierte Problem mit dem Swissphone SGA in Verbindung mit der Datenausgabe am Wickel.
Im aktuellen original PG Expert schaltet sich ein BOSS ohne Batterie/Akku automatisch ein und läuft. Im alten PG429 ebenfalls.
So ist es ja sehr schön, wenn man denn den BOSS dauerhaft an einem Großdisplay laufen lassen will.
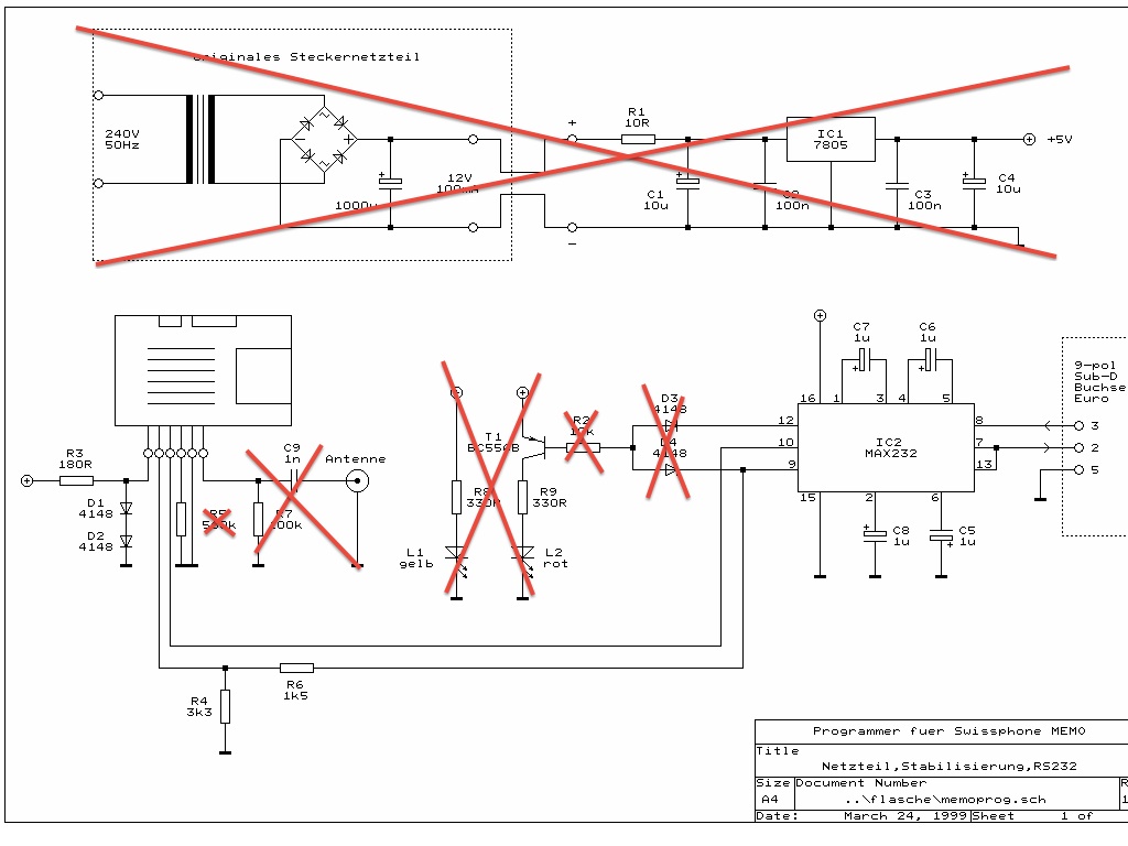
Mein Nachbaugerät auf Basis des bewährten Helmut-Flasche-Programmers programmiert auch prima....aber nur mit Akku drin.
Ohne Akku erscheint nur das leere Batteriesymbol und der BOSS klickt und "springt" nicht an in einer Endlosschleife, obwohl am den Pin's BAT und GND ca. 1,47V anliegen.
Anbei der Schaltplan von Flasche mit meinen Änderungen. Die Spannungsversorgung kommt aus einem USB Port.
Hat jemand eine Idee, wie ich den BOSS dazu bekomme "anzuspringen"??
Gruß
Stephan




Zitieren