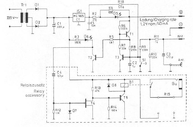
Ich wollte jetzt mal einen relaisausgang an das ladegerät bauen, dabei stellte ich folgendes fest:
auf dem netzteil steht: ausgang 9V
auf dem Ladegerät steht entsprechend: eingang 9V
nach messungen kommen aber 16-17V im ladegerät an.
der große, hellgrüne 150er widerstand wird ungewöhnlich heiß.
die LEDs brennen aber nicht durch und das ladegerät funktioniert einwandfrei. ist das normal ???
jetzt noch was zu dem, was ich eigentlich vor hatte:
vor der alarm-LED ist auf der hauptplatine ein widerstand, davor liegen ca. 13V an. kann ich daran ohne weiteres ein 12V-relais anschließen oder würden durch den niedrigen innenwiderstand eines relais irgendwelche bauteile beschädigt?


Zitieren